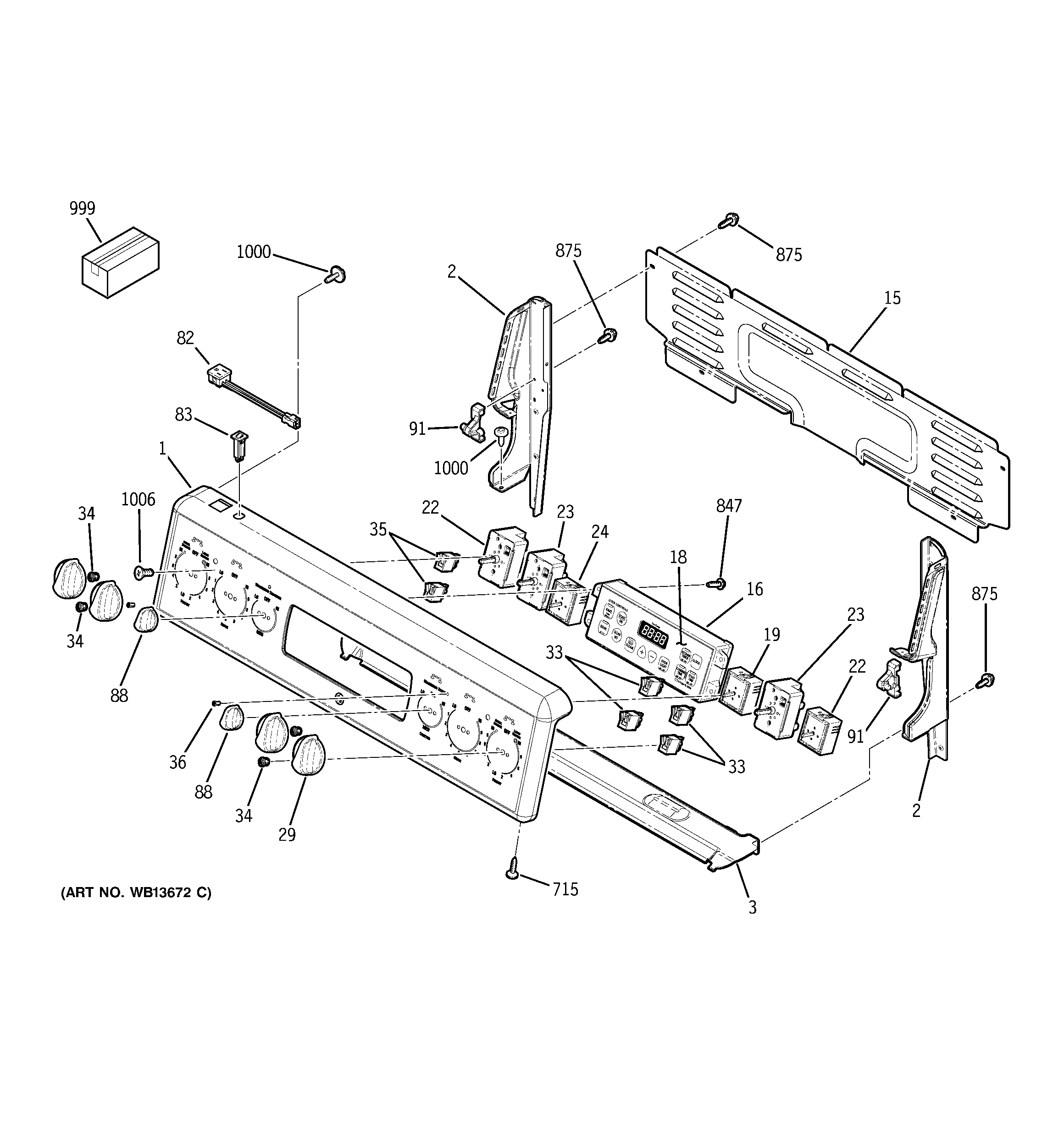
JCBP81BL1BB CONTROL PANELadmin2025-04-26T08:47:45+00:00JCBP81BL1BB CONTROL PANEL ProductsPositionProduct1GEN WB36T109492GEN WB36T102542END CAP LEFT/BLACK3GEN WB02T1030615GEN WB34T1008816CONTROL OVEN TO9 (ELEC)18GEN WB27T1072119INFINITE CONTROL SWITCH22WB24T10153 GE Oven Infinite Switch Control23WB24T10029 GE Oven Infinite Burner Switch24GEN WB24T1012329GEN WB03T1020333WB27T10668 GE Oven Light Indicator33GEN WB27T1062834WB25T10041 GE Oven Lens35WB25T10040 GE Oven Light Indicator36LENS82GEN WB08T1003283BREAKER RECEPTACLE88GEN WB03T1020491GEN WB10T10002715WD2X433 GE Dishwasher Trim Screw847WB1X1118 GE Oven Screw 6-32T875WH2X930 GE Screw875WZ4X245D GE Screw Package999GEN 31-10619999GEN 31-10482999PM10X310 GE Cerama Bryte Cooktop Cleaner999GEN 29-5538999GEN 31-144641000WB01T10016 GE Oven Screw 8-18 AB Hex1006WB01X23501 GE Oven Screw 8-32 Tapping Flat Head