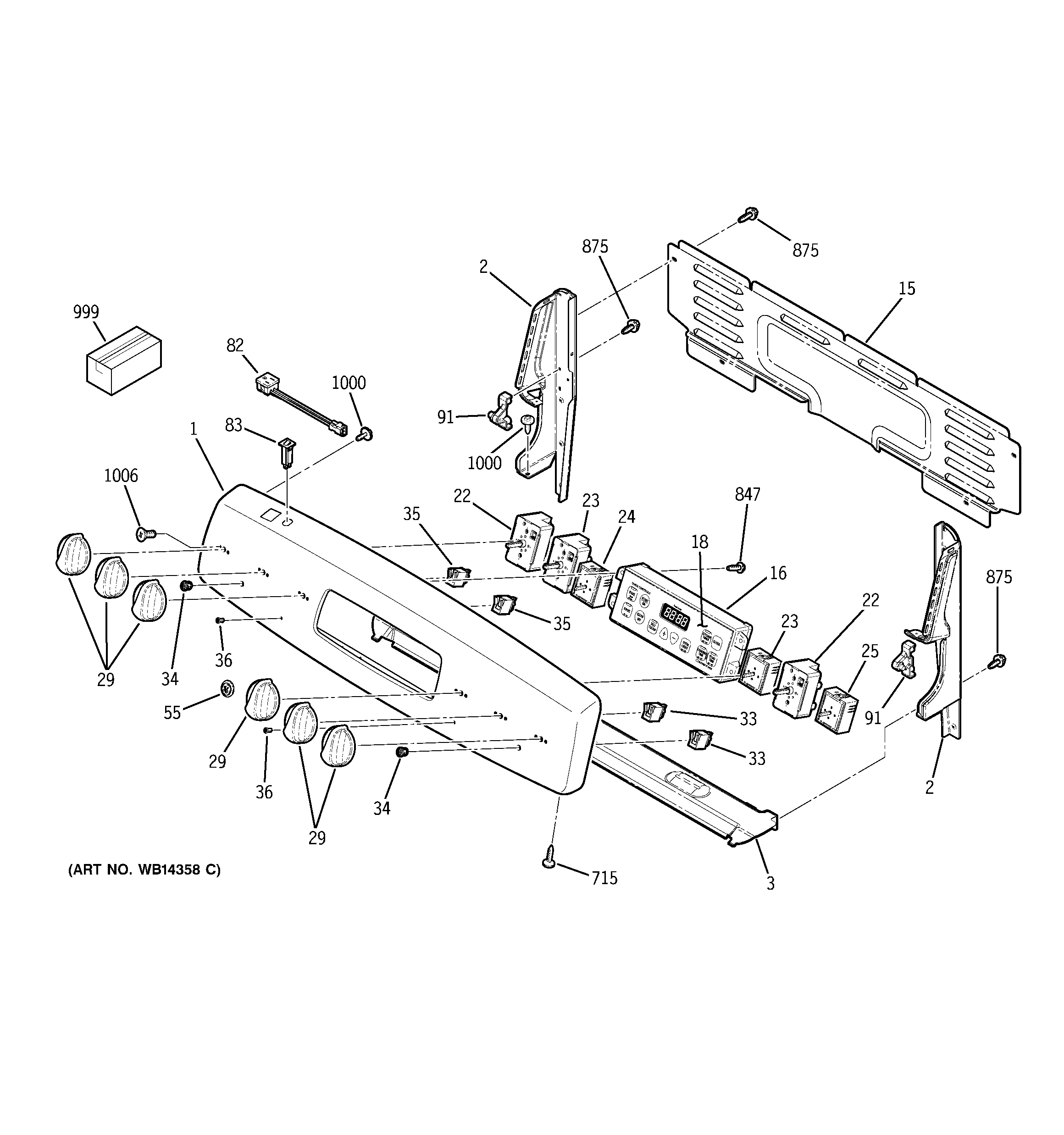
JCBP81SM2SS CONTROL PANELadmin2025-04-26T08:47:36+00:00JCBP81SM2SS CONTROL PANEL ProductsPositionProduct1GEN WB36T111322GEN WB36T110402WB36T11039 GE Oven End Plate Right (Black)3SHIELD HEAT BKGD15GEN WB02T1039216CONTROL OVEN TO9 (ELEC)18GEN WB27T1101122WB24T10153 GE Oven Infinite Switch Control23WB24T10145 GE Oven Burner Switch24INFINITE CONTROL SWITCH25GEN WB24T1012329WB03T10284 GE Range Infinite Burner Knob Cooktop Element33GEN WB27T1062834WB25T10041 GE Oven Lens35WB25T10040 GE Oven Light Indicator36LENS55WB02T10359 GE Oven Badge82GEN WB08T1003283BREAKER RECEPTACLE91WB10T10116 GE Range Top Hinge Pin715WD2X432 GE Dishwasher Screw847WB1X537 GE Oven Screw875WZ4X245D GE Screw Package875WH2X930 GE Screw999PM10X310 GE Cerama Bryte Cooktop Cleaner999GEN 31-10672999GEN 31-10679999GEN 31-145971000WB01T10016 GE Oven Screw 8-18 AB Hex1006WB01X23501 GE Oven Screw 8-32 Tapping Flat Head