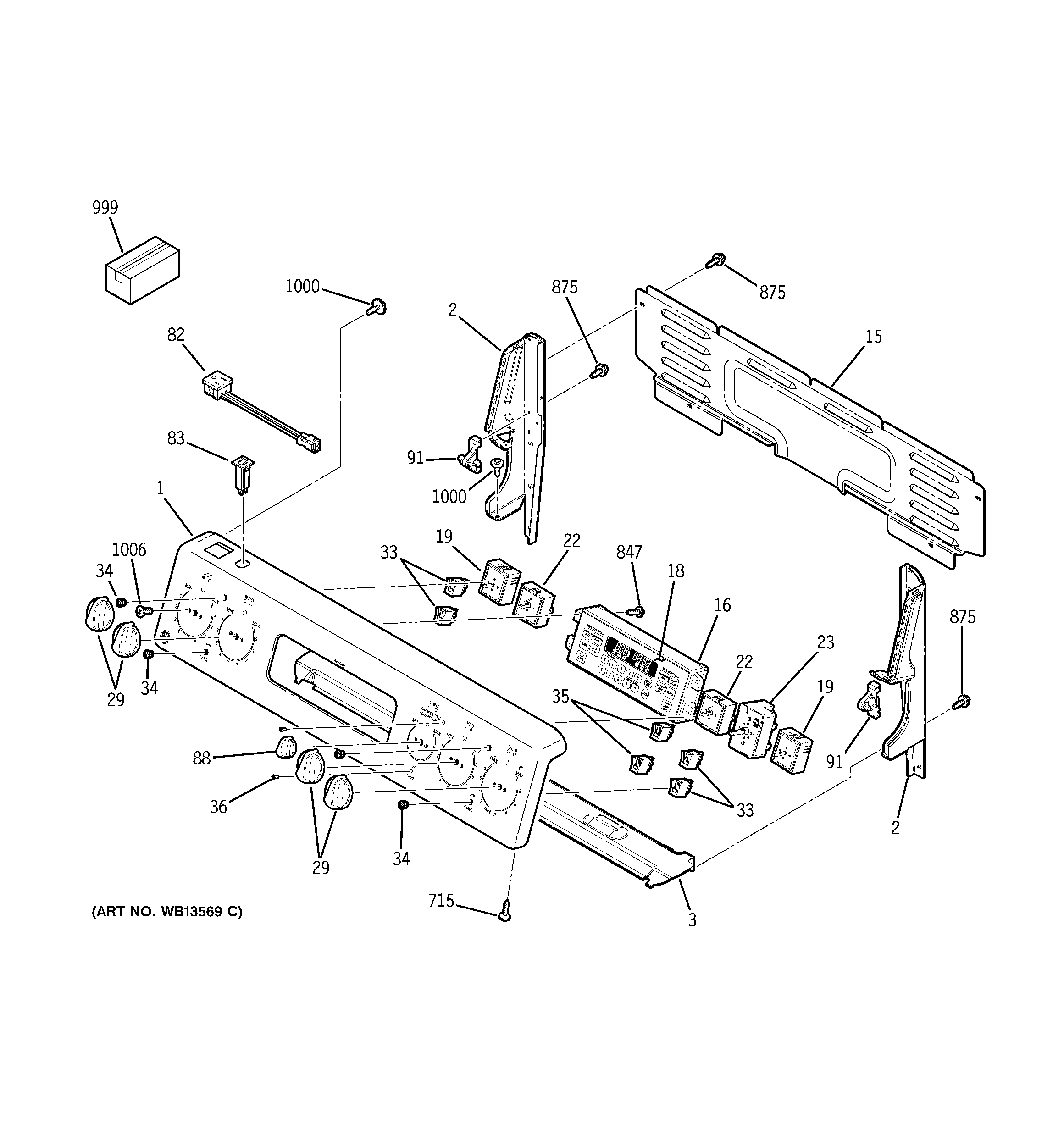
JCBP84BJ2BB CONTROL PANELadmin2025-04-26T08:47:50+00:00JCBP84BJ2BB CONTROL PANEL ProductsPositionProduct1GEN WB36T107682END CAP LEFT/BLACK2GEN WB36T102543GEN WB02T1002215GEN WB34T1008816GEN WB27T1044318GEN WB27T1062919WB24T10153 GE Oven Infinite Switch Control22INFINITE CONTROL SWITCH23WB24T10029 GE Oven Infinite Burner Switch29GEN WB03T1020333GEN WB27T1062834WB25T10041 GE Oven Lens35WB25T10040 GE Oven Light Indicator36LENS82GEN WB08T1003283BREAKER RECEPTACLE88GEN WB03T1020491GEN WB10T10002715WD2X432 GE Dishwasher Screw847WB1K5167 GE Screw 8-18 X 3/8"847WB1X1118 GE Oven Screw 6-32T875WH2X930 GE Screw875WZ4X245D GE Screw Package999GEN 31-10614999GEN 31-10482999GEN 49-80299999GEN 31-14307999PM10X310 GE Cerama Bryte Cooktop Cleaner1000WB01T10016 GE Oven Screw 8-18 AB Hex1006WB01X23501 GE Oven Screw 8-32 Tapping Flat Head