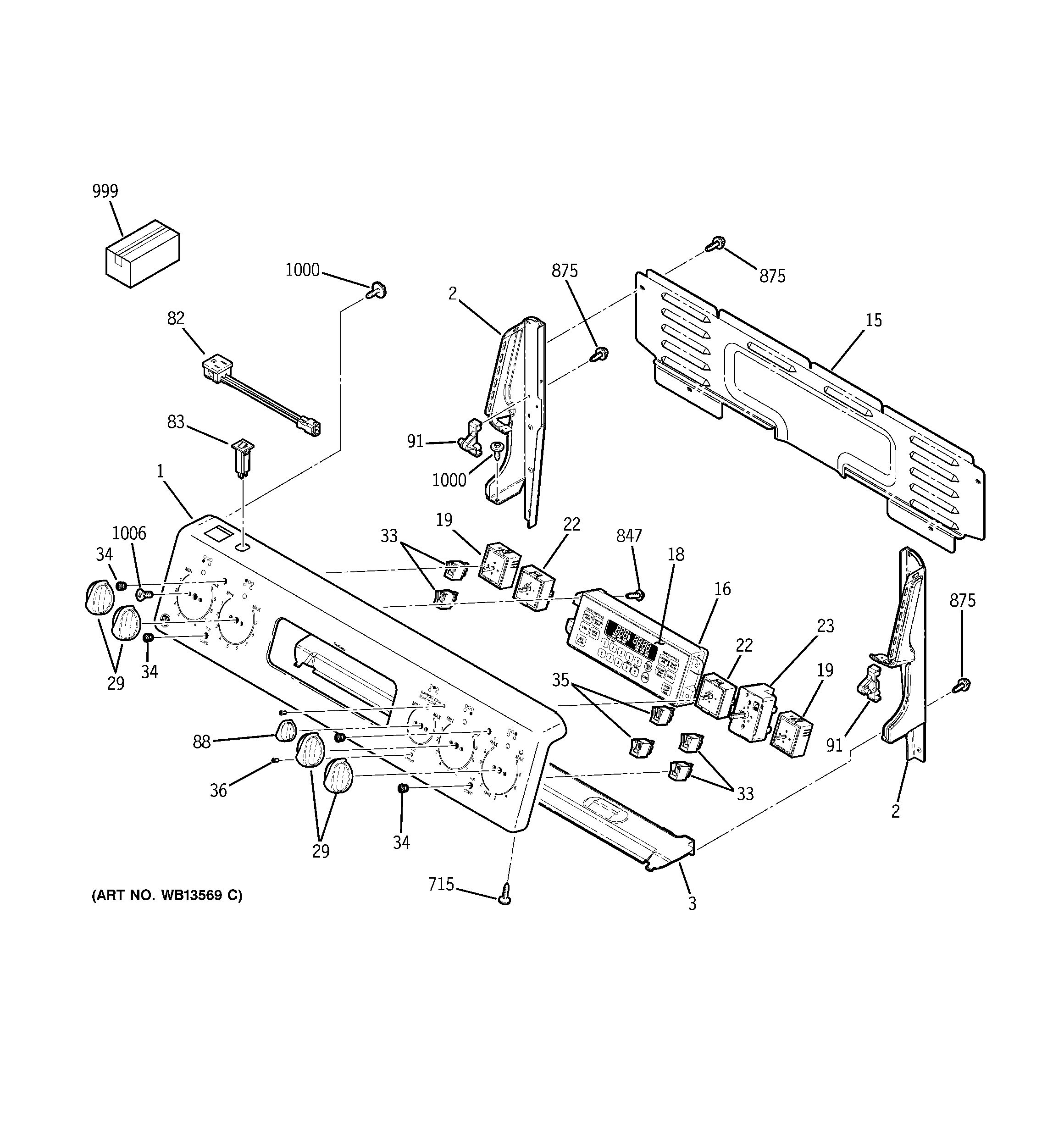
JCBP84BK1BB CONTROL PANEL