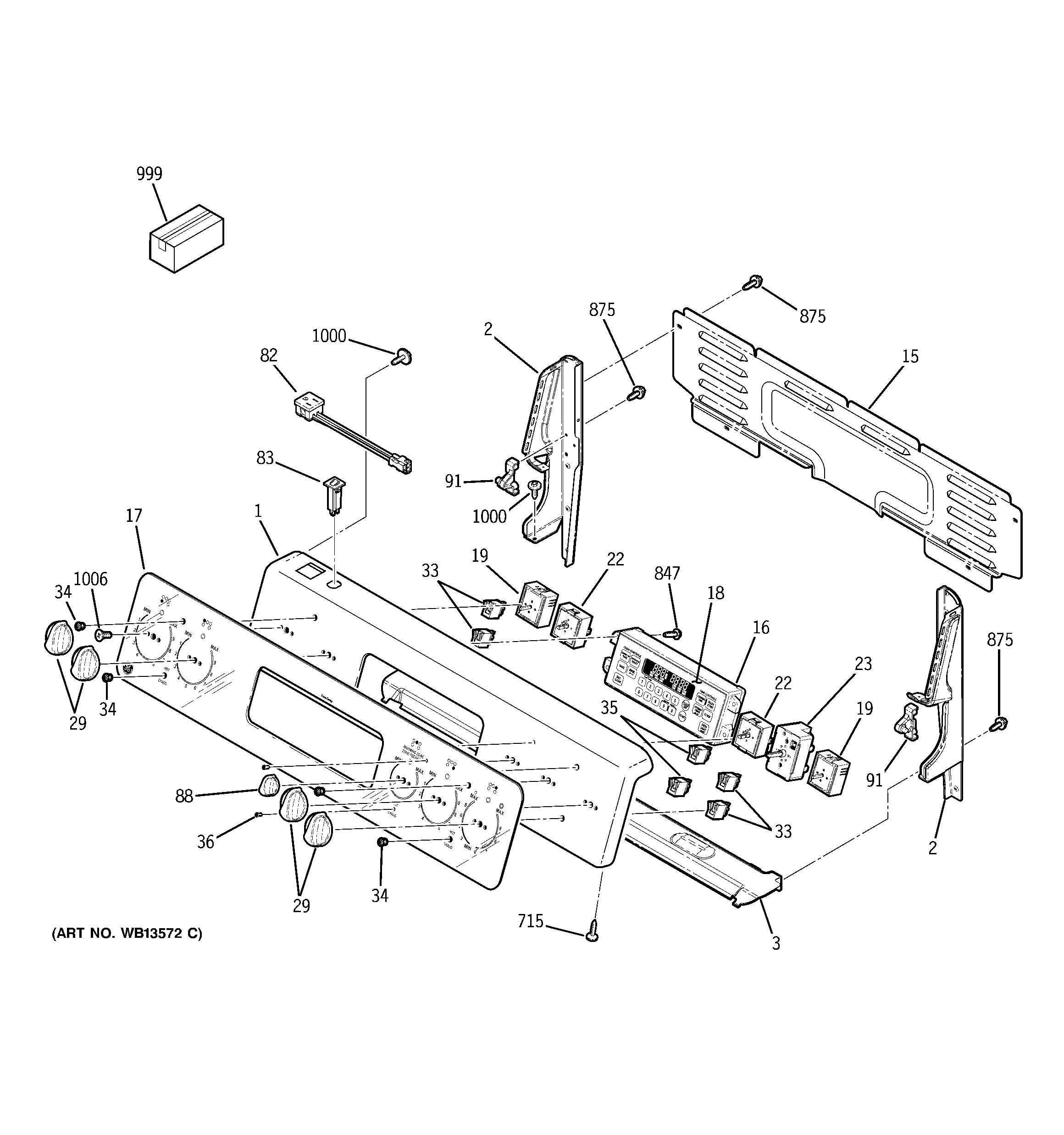
JCBP84SJ3SS CONTROL PANELadmin2025-04-26T08:47:46+00:00JCBP84SJ3SS CONTROL PANEL ProductsPositionProduct1GEN WB36T108042END CAP LEFT/BLACK2GEN WB36T102543GEN WB02T1002215GEN WB34T1008816GEN WB27T1044317GEN WB27T1063118GEN WB27T1062919WB24T10153 GE Oven Infinite Switch Control22INFINITE CONTROL SWITCH23WB24T10029 GE Oven Infinite Burner Switch29GEN WB03T1020333GEN WB27T1062834WB25T10041 GE Oven Lens35WB25T10040 GE Oven Light Indicator36LENS82GEN WB08T1003283BREAKER RECEPTACLE88GEN WB03T1020491GEN WB10T10002715WD2X432 GE Dishwasher Screw847WB1K5167 GE Screw 8-18 X 3/8"847WB1X1118 GE Oven Screw 6-32T875WZ4X245D GE Screw Package875WH2X930 GE Screw999GEN 31-14326999GEN 49-80305999PM10X310 GE Cerama Bryte Cooktop Cleaner999GEN 31-14307999GEN 49-80299999GEN 31-10614999GEN 31-10482999INSTR INSTALL OVN DOOR1000WB01T10016 GE Oven Screw 8-18 AB Hex1006WB01T10053 GE Oven 8-32 TPT FLR Screw