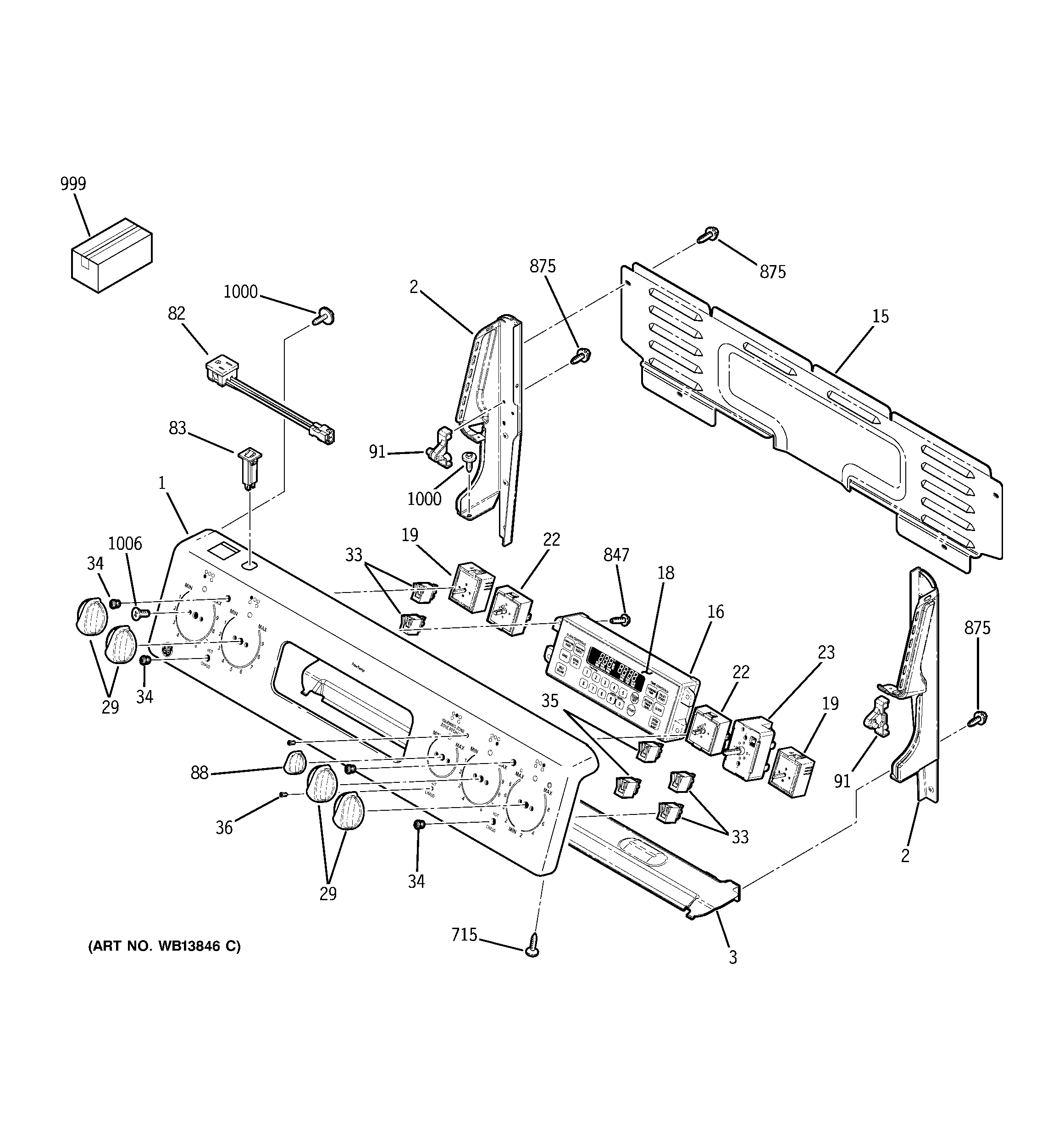
JCBP84SK4SS CONTROL PANELadmin2025-04-26T08:48:14+00:00JCBP84SK4SS CONTROL PANEL ProductsPositionProduct1GEN WB36T109522END CAP LEFT/BLACK2GEN WB36T102543GEN WB02T1030615GEN WB34T1008816GEN WB27T1080818GEN WB27T1074319WB24T10153 GE Oven Infinite Switch Control22INFINITE CONTROL SWITCH23WB24T10029 GE Oven Infinite Burner Switch29GEN WB03T1020333WB27T10668 GE Oven Light Indicator33GEN WB27T1062834WB25T10041 GE Oven Lens35WB25T10040 GE Oven Light Indicator36LENS82GEN WB08T1003283BREAKER RECEPTACLE88GEN WB03T1020491GEN WB10T10002715WD2X432 GE Dishwasher Screw847WB1K5167 GE Screw 8-18 X 3/8"875WZ4X245D GE Screw Package875WH2X930 GE Screw999PM10X310 GE Cerama Bryte Cooktop Cleaner999GEN 29-5518999GEN 31-10482999GEN 31-14483999GEN 31-106191000WB01T10016 GE Oven Screw 8-18 AB Hex1006WB01T10053 GE Oven 8-32 TPT FLR Screw