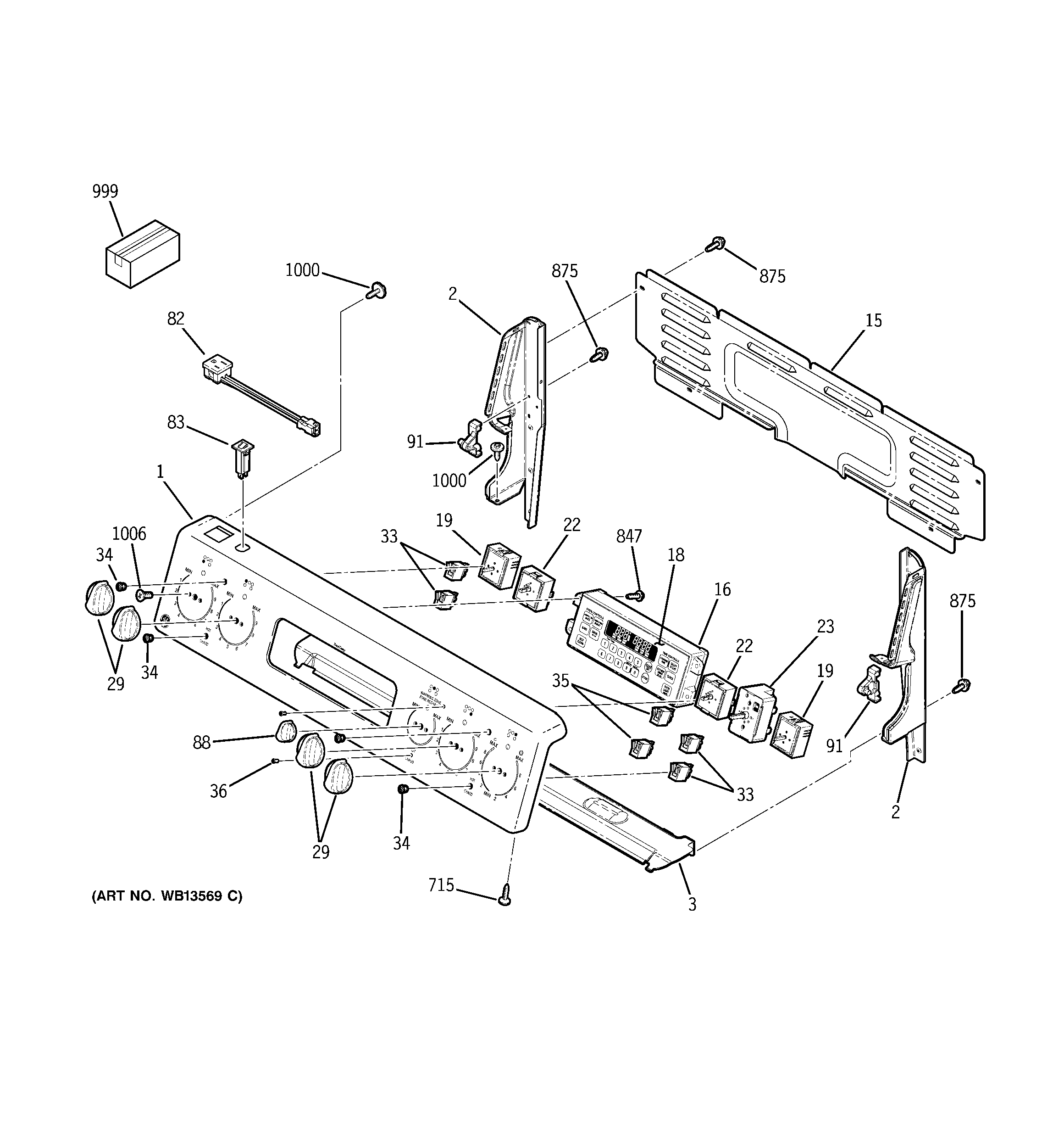
JCBP84WK1WW CONTROL PANELadmin2025-04-26T08:47:58+00:00JCBP84WK1WW CONTROL PANEL ProductsPositionProduct1GEN WB36T109151GEN WB36T109172END CAP LEFT/BLACK2GEN WB36T102542GEN WB36T102482GEN WB36T102473GEN WB02T1002215GEN WB34T1008816GEN WB27T1061818GEN WB27T1074318GEN WB27T1074519WB24T10153 GE Oven Infinite Switch Control22INFINITE CONTROL SWITCH23WB24T10029 GE Oven Infinite Burner Switch29GEN WB03T1020329WB03T10207 GE Surface Unit Knob33GEN WB27T1062833WB27T10668 GE Oven Light Indicator34WB25T10041 GE Oven Lens35WB25T10040 GE Oven Light Indicator36LENS82GEN WB08T1003282GEN WB08T1003483BREAKER RECEPTACLE83GEN WB08T1003588GEN WB03T1020488GEN WB03T1020891GEN WB10T10002715WD2X433 GE Dishwasher Trim Screw715WD2X432 GE Dishwasher Screw847WB1K5167 GE Screw 8-18 X 3/8"875WZ4X245D GE Screw Package875WH2X930 GE Screw999GEN 31-14362999PM10X310 GE Cerama Bryte Cooktop Cleaner999GEN 31-10482999GEN 31-10619999GEN 29-55181000WB01T10016 GE Oven Screw 8-18 AB Hex1006WB01X23501 GE Oven Screw 8-32 Tapping Flat Head