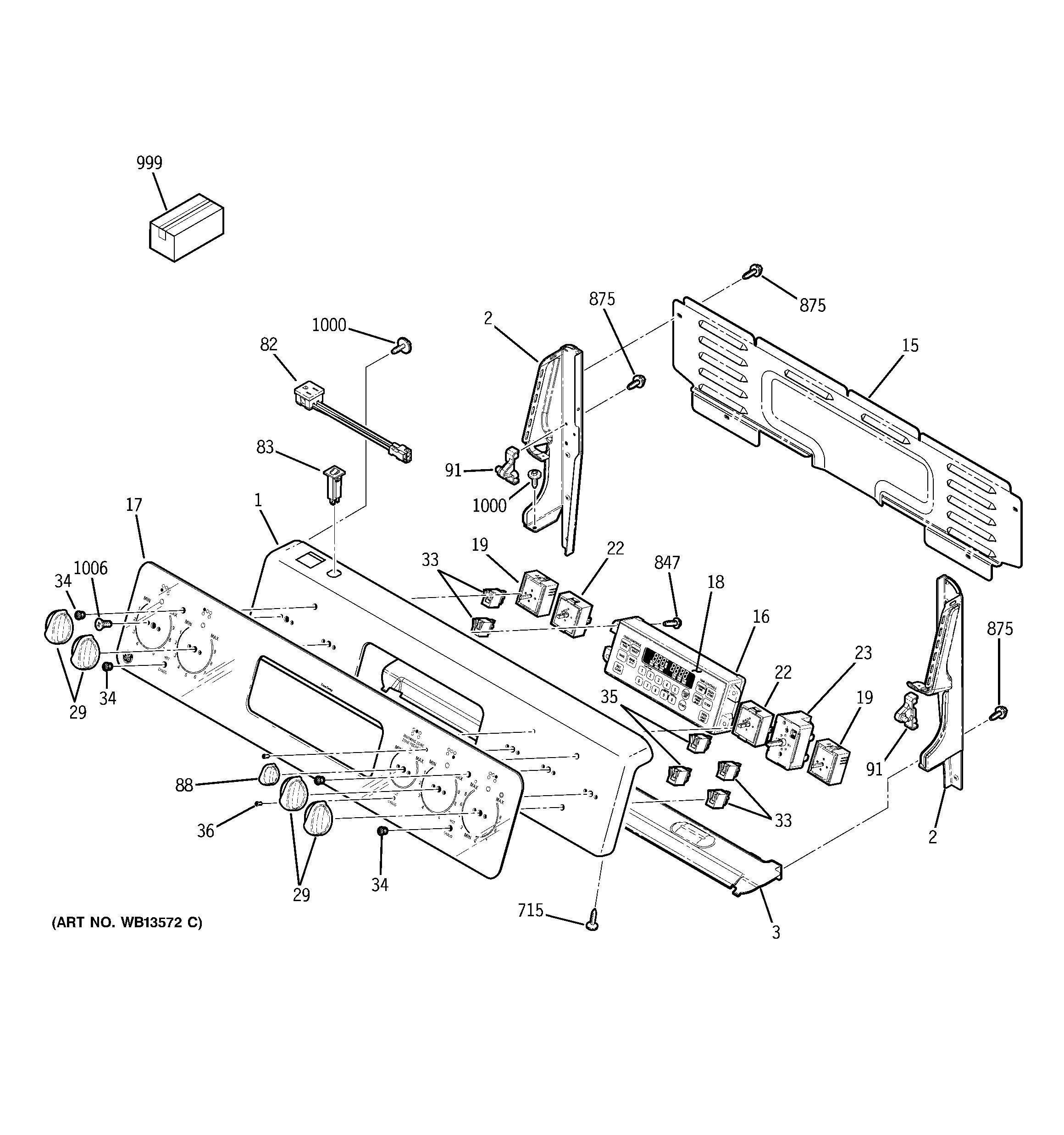
JCBP85SK1SS CONTROL PANELadmin2025-04-26T08:47:46+00:00JCBP85SK1SS CONTROL PANEL ProductsPositionProduct1GEN WB36T109162GEN WB36T102542END CAP LEFT/BLACK3GEN WB02T1030615GEN WB34T1008816GEN WB27T1061817GEN WB27T1074418GEN WB27T1074319WB24T10153 GE Oven Infinite Switch Control22INFINITE CONTROL SWITCH23WB24T10029 GE Oven Infinite Burner Switch29GEN WB03T1020333GEN WB27T1062833WB27T10668 GE Oven Light Indicator34WB25T10041 GE Oven Lens35WB25T10040 GE Oven Light Indicator36LENS82GEN WB08T1003283BREAKER RECEPTACLE88GEN WB03T1020491GEN WB10T10002715WD2X432 GE Dishwasher Screw847WB1K5167 GE Screw 8-18 X 3/8"875WH2X930 GE Screw875WZ4X245D GE Screw Package999GEN 31-10619999PM10X310 GE Cerama Bryte Cooktop Cleaner999GEN 29-5518999GEN 31-10482999GEN 31-143621000WB01T10016 GE Oven Screw 8-18 AB Hex1006WB01T10053 GE Oven 8-32 TPT FLR Screw