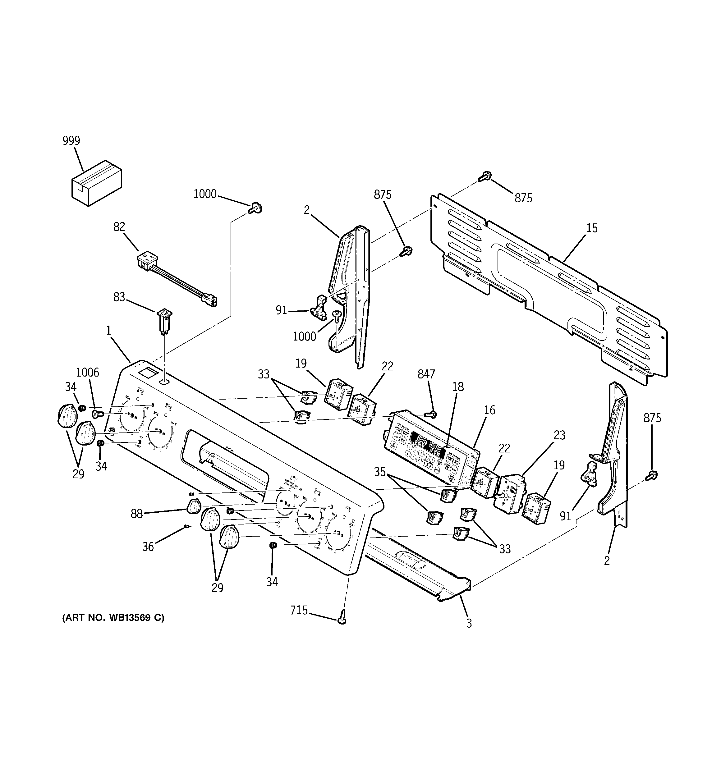
JCBP85WK4WW CONTROL PANELadmin2025-04-26T08:48:01+00:00JCBP85WK4WW CONTROL PANEL ProductsPositionProduct1GEN WB36T109172GEN WB36T102482GEN WB36T102473GEN WB02T1030615GEN WB34T1008816GEN WB27T1080818GEN WB27T1074519WB24T10153 GE Oven Infinite Switch Control22INFINITE CONTROL SWITCH23WB24T10029 GE Oven Infinite Burner Switch29WB03T10207 GE Surface Unit Knob33WB27T10668 GE Oven Light Indicator33GEN WB27T1062834WB25T10041 GE Oven Lens35WB25T10040 GE Oven Light Indicator36LENS82GEN WB08T1003483GEN WB08T1003588GEN WB03T1020891GEN WB10T10002715WD2X433 GE Dishwasher Trim Screw847WB1K5167 GE Screw 8-18 X 3/8"875WH2X930 GE Screw875WZ4X245D GE Screw Package999GEN 31-10619999PM10X310 GE Cerama Bryte Cooktop Cleaner999GEN 29-5518999GEN 31-10482999GEN 31-144831000WB01T10016 GE Oven Screw 8-18 AB Hex1006WB01X23501 GE Oven Screw 8-32 Tapping Flat Head