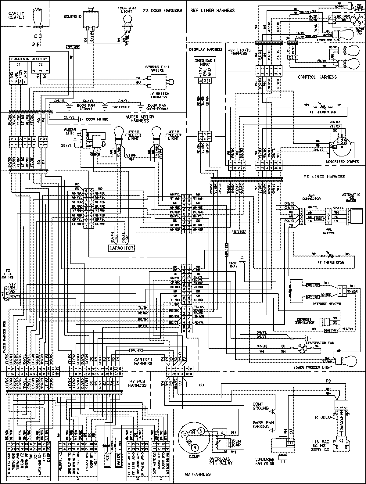
JCD2295KES 18 – WIRING INFORMATIONadmin2025-04-26T09:15:58+00:00JCD2295KES 18 – WIRING INFORMATION ProductsPositionProductNIMAY 15003679