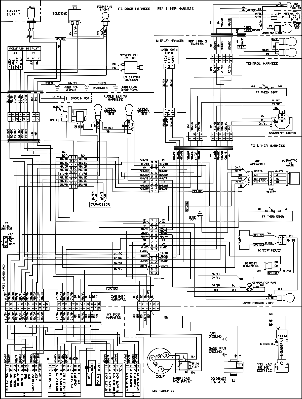
JCD2297KEY 19 – WIRING INFORMATION (SERIES 10)admin2025-04-26T09:16:34+00:00JCD2297KEY 19 – WIRING INFORMATION (SERIES 10) ProductsPositionProductNIMAY 15003679