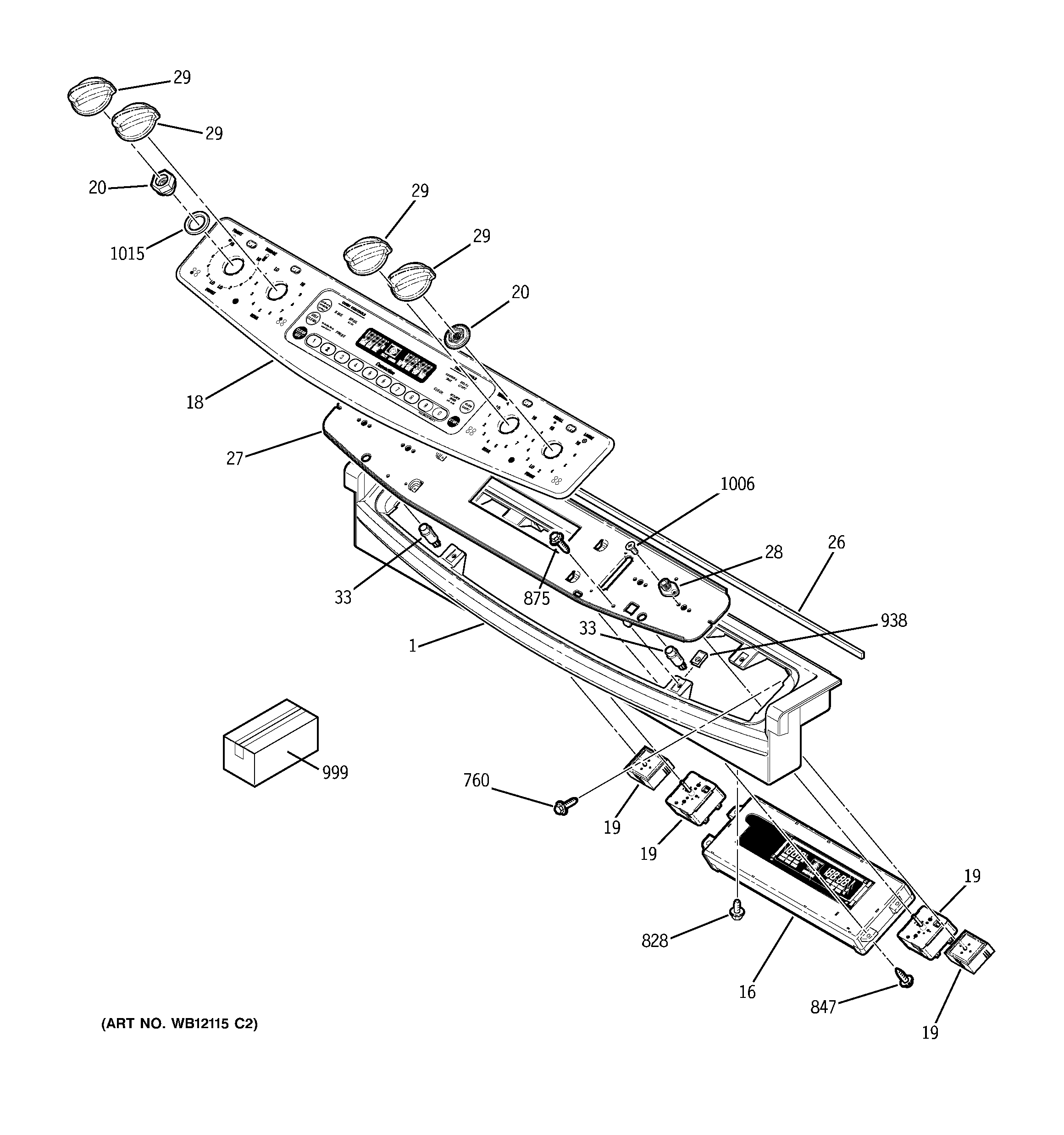
JCS966SD1SS CONTROL PANELadmin2025-04-26T08:48:18+00:00JCS966SD1SS CONTROL PANEL ProductsPositionProduct1PANEL CNTL ASM16GEN WB27T1034218GEN WB27K1005619SWITCH INFINITE CONTROL19WB24T10012 GE Oven Infinite Switch19WB24T10063 GE Range Cooktop Infinite Burner Switch20GEN WB02T1006820GEN WB02K523820WB02T10046 GE Oven Crystal Retainer26WB02X10742 GE Oven Control Panel Gasket27GEN WB36T1054528WB02T10047 GE Oven Crystal Mount Assembly29GEN WB03T1018333GEN WB18K1001333GEN WB25T10021760WB1X536 GE Oven Screw828WB1X1141 GE Oven Screw 8-32847SCREW847WB1X1118 GE Oven Screw 6-32T875WH2X930 GE Screw938WB1K5209 GE Oven Clip999GEN 31-10482999GEN 29-5025999GEN 31-10474999GEN 31-13979999PM10X310 GE Cerama Bryte Cooktop Cleaner1006WB01T10053 GE Oven 8-32 TPT FLR Screw1015WASHER SS