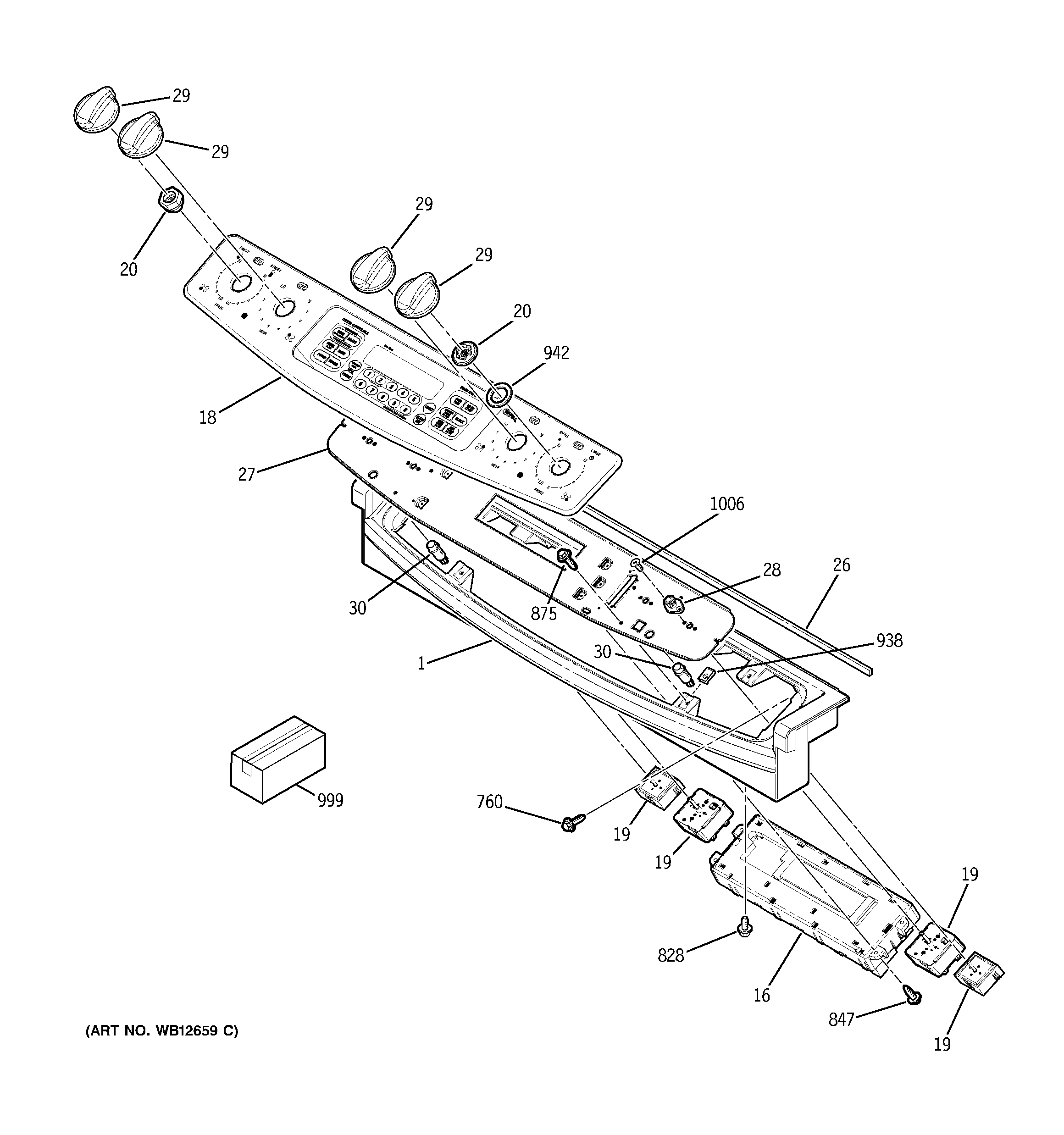
JCS968SF1SS CONTROL PANELadmin2025-04-26T08:48:14+00:00JCS968SF1SS CONTROL PANEL ProductsPositionProduct1PANEL CNTL ASM16WB27T10406 GE Oven Control Clock18GEN WB36T1056919SWITCH INFINITE CONTROL19WB24T10012 GE Oven Infinite Switch19WB24T10063 GE Range Cooktop Infinite Burner Switch20GEN WB02K523820GEN WB02T1006820WB02T10046 GE Oven Crystal Retainer20WB02T10152 GE Oven Motor Capacitor Bracket26WB02X10742 GE Oven Control Panel Gasket27INSERT CONTROL PNL28WB02T10047 GE Oven Crystal Mount Assembly29GEN WB03T1018830GEN WB25T10021760WB1X536 GE Oven Screw828WB1X1141 GE Oven Screw 8-32847WB1X1118 GE Oven Screw 6-32T875WH2X930 GE Screw938WB1K5209 GE Oven Clip942WB1X5573 GE Oven Washer999GEN 31-10482999RIBBON CONNECTOR GLS TCH999GEN 31-10474999GEN 29-5034999GEN 31-10535999GEN 31-14040999PM10X310 GE Cerama Bryte Cooktop Cleaner1006WB01T10053 GE Oven 8-32 TPT FLR Screw