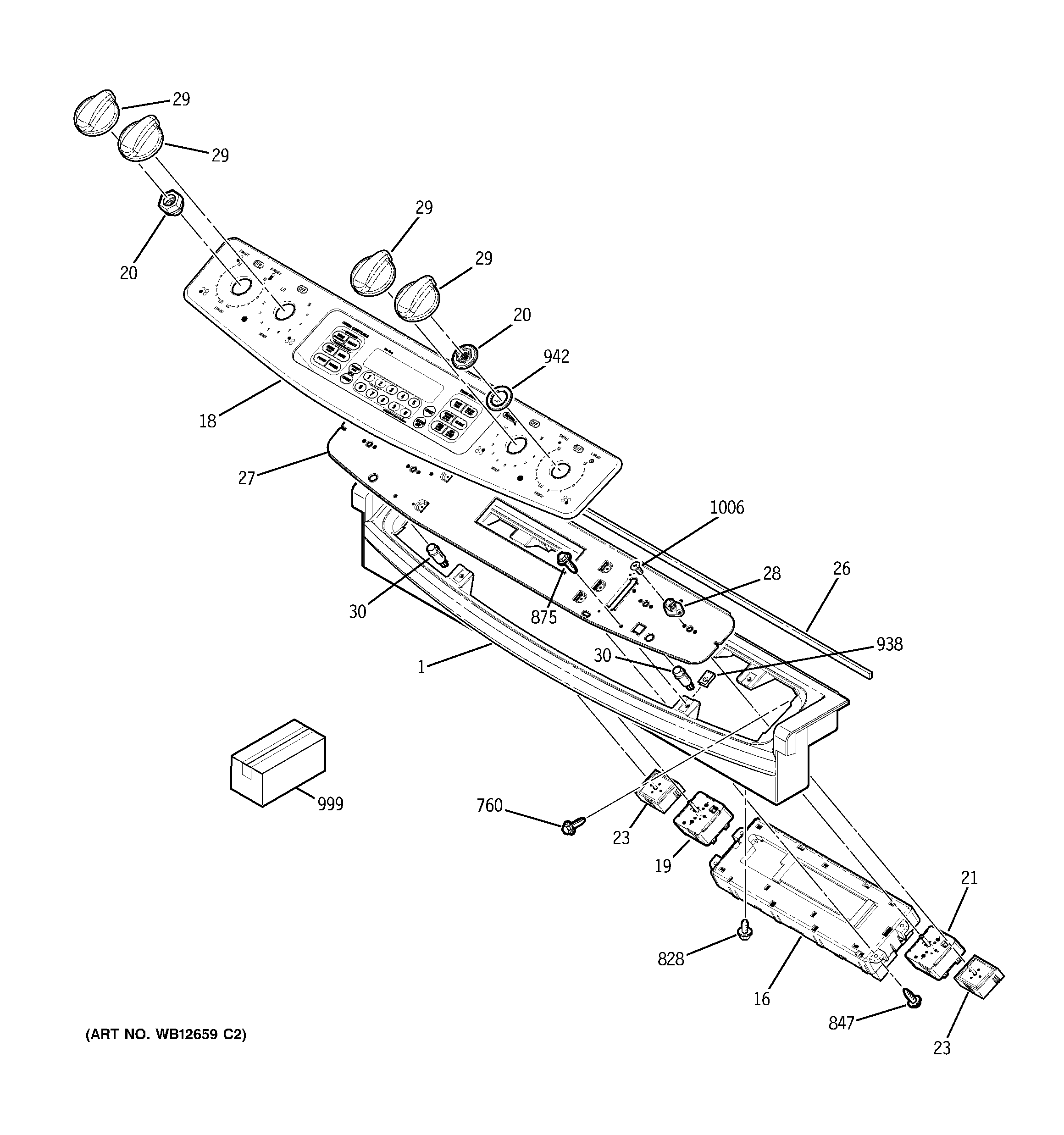
JCS968SF6SS CONTROL PANEL