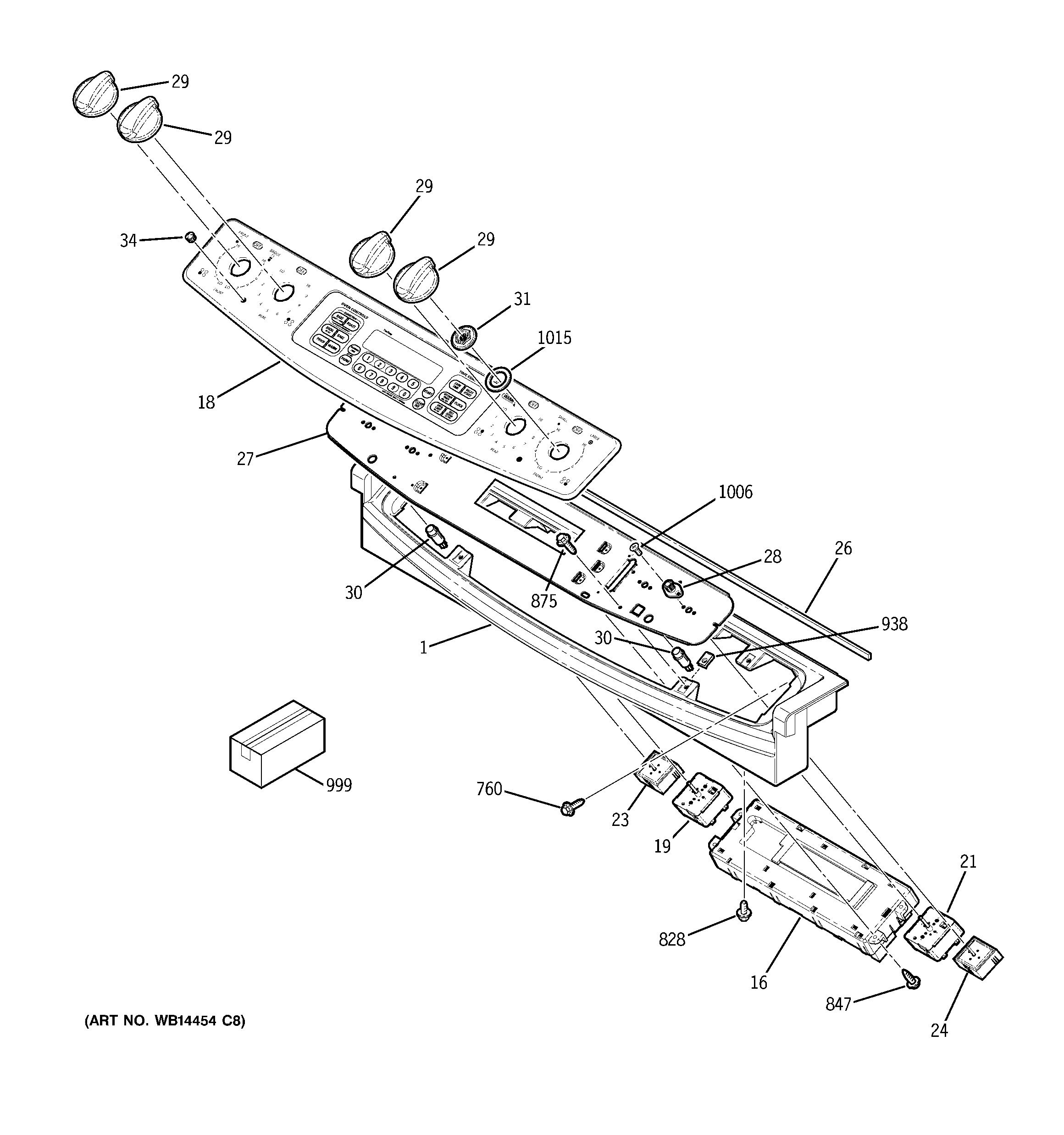
JCS968SK4SS CONTROL PANELadmin2025-04-26T08:48:42+00:00JCS968SK4SS CONTROL PANEL ProductsPositionProduct1WB36T10666 GE Oven Trim Piece16WB27T10803 GE Oven Control ERC18GEN WB27T1104019SWITCH INFINITE CONTROL21WB24T10012 GE Oven Infinite Switch23WB24T10134 GE Oven Infinite Control Switch24WB24T10139 GE Oven Infinite Switch Control26WB02X10742 GE Oven Control Panel Gasket27INSERT CONTROL PNL28WB02T10047 GE Oven Crystal Mount Assembly29GEN WB03T1026330WB25T10056 GE Oven Light Indicator31WB02T10046 GE Oven Crystal Retainer31GEN WB02T1006834WB25T10022 GE Oven Snap-In Lens760WB1X536 GE Oven Screw828WB1X1141 GE Oven Screw 8-32847WB02T10324 GE Oven Screw 6-20 GXB IHXW 3/8 NI875WH2X930 GE Screw938WB1K5209 GE Oven Clip999PM10X310 GE Cerama Bryte Cooktop Cleaner999GEN 31-10674999GEN 29-5632999GEN 31-14741999WB18T10386 GE Oven Touch Glass Wire Harness1006WB01T10053 GE Oven 8-32 TPT FLR Screw1015WASHER SS