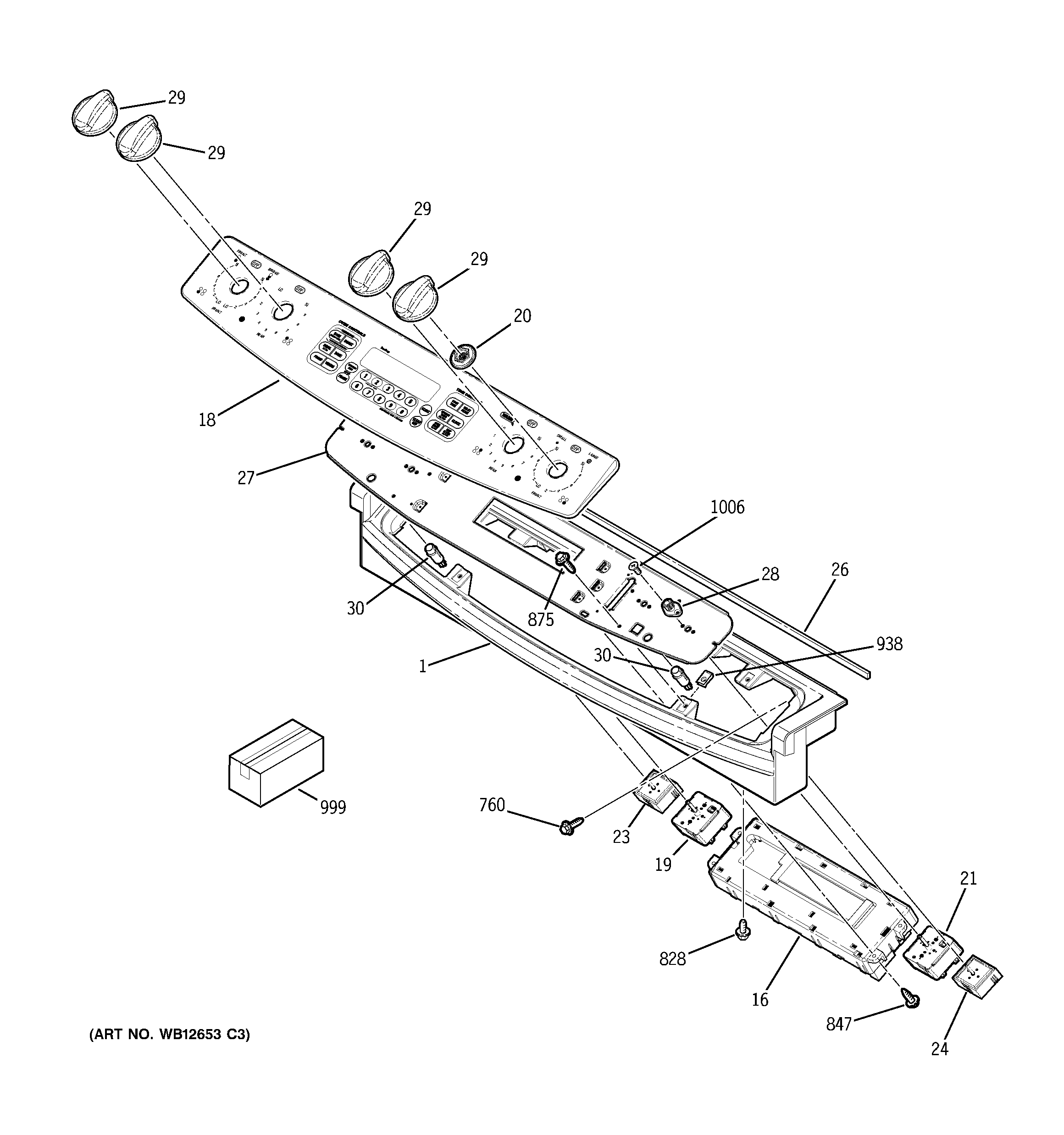
JCS968WK5WW CONTROL PANEL