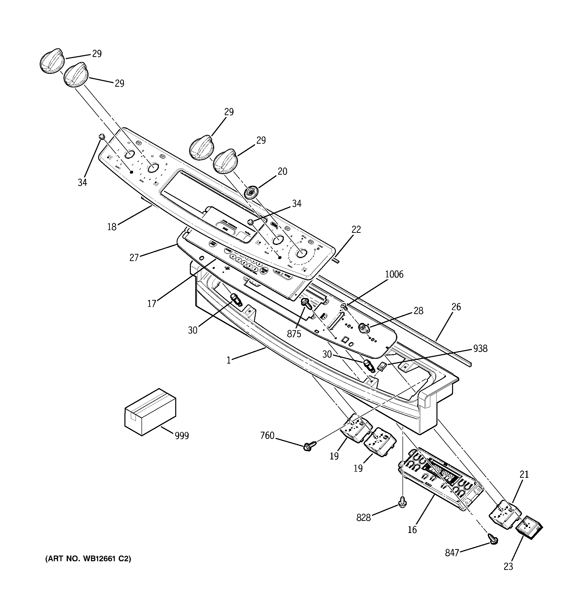
JCSP42BK4BB CONTROL PANELadmin2025-04-26T08:48:00+00:00JCSP42BK4BB CONTROL PANEL ProductsPositionProduct1WB36T10666 GE Oven Trim Piece16WB27T10416 GE Oven Control ERC3B17GEN WB27T1078418GEN WB27T1078319WB24T10026 GE Oven Infinite Control Switch (2000W)20WB02T10046 GE Oven Crystal Retainer20GEN WB02K523821WB24T10012 GE Oven Infinite Switch22WB02X10744 GE Oven Gasket Faceplate23WB24T10134 GE Oven Infinite Control Switch26WB02X10742 GE Oven Control Panel Gasket27GEN WB36T1056828WB02T10047 GE Oven Crystal Mount Assembly29GEN WB03T1023330GEN WB25T1004834WB25T10022 GE Oven Snap-In Lens760WB1X536 GE Oven Screw828WB1X1141 GE Oven Screw 8-32847WB02T10324 GE Oven Screw 6-20 GXB IHXW 3/8 NI875WH2X930 GE Screw938WB1K5209 GE Oven Clip999GEN 31-10651999PM10X310 GE Cerama Bryte Cooktop Cleaner999GEN 31-14386999GEN 31-10623999GEN 31-10482999GEN 31-10619999GEN 29-55681006WB01T10053 GE Oven 8-32 TPT FLR Screw