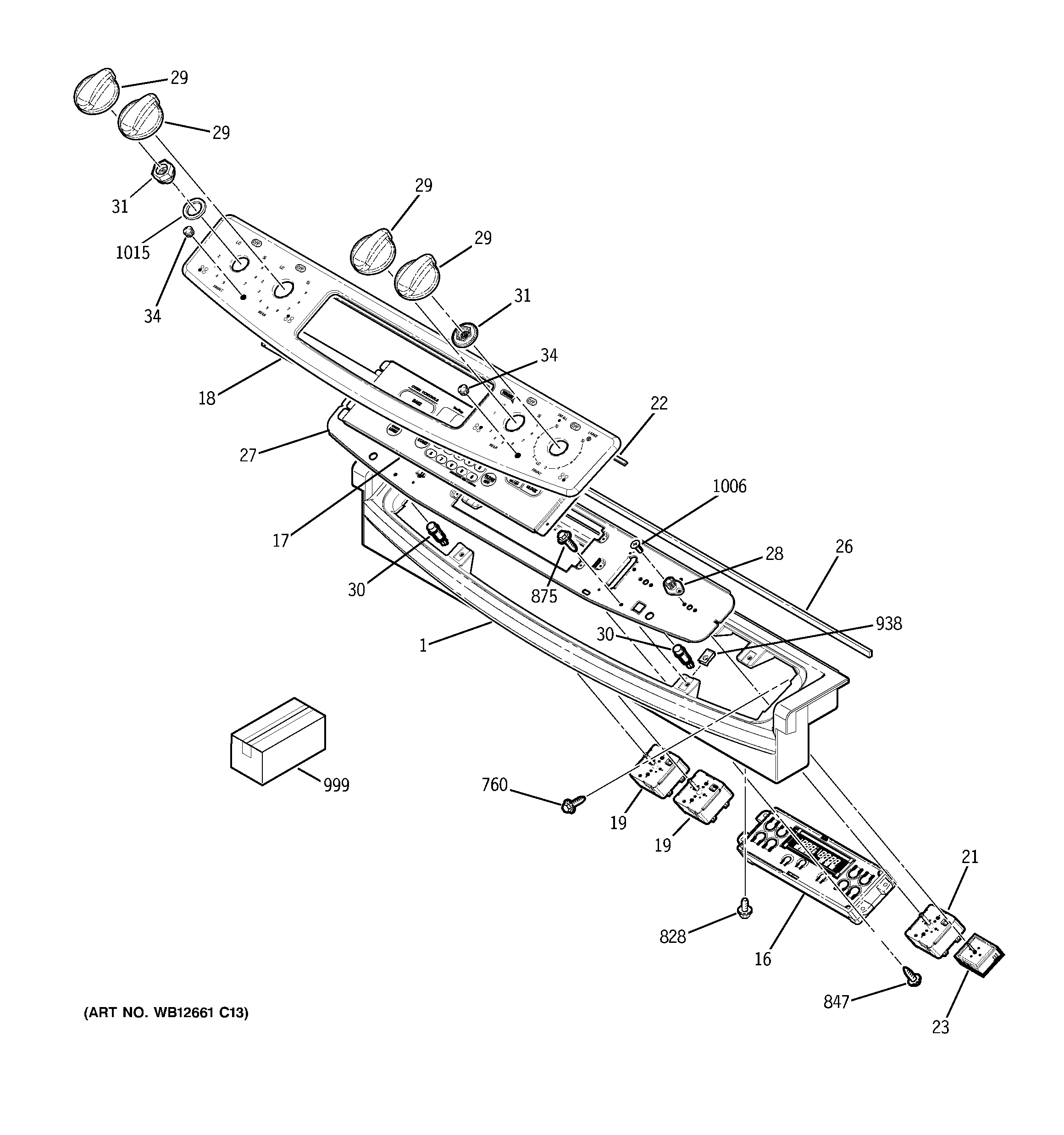
JCSP42SN2SS CONTROL PANELadmin2025-04-26T08:48:16+00:00JCSP42SN2SS CONTROL PANEL ProductsPositionProduct1WB36T10666 GE Oven Trim Piece16WB27T10416 GE Oven Control ERC3B17GEN WB27T1107218GEN WB27T1107519WB24T10026 GE Oven Infinite Control Switch (2000W)21WB24T10012 GE Oven Infinite Switch22WB02X10744 GE Oven Gasket Faceplate23WB24T10134 GE Oven Infinite Control Switch26WB02X10742 GE Oven Control Panel Gasket27GEN WB36T1056828WB02T10047 GE Oven Crystal Mount Assembly29WB03T10284 GE Range Infinite Burner Knob Cooktop Element30WB25T10056 GE Oven Light Indicator31GEN WB02T1006831WB02T10046 GE Oven Crystal Retainer34WB25T10022 GE Oven Snap-In Lens760WB1X536 GE Oven Screw828WB1X1141 GE Oven Screw 8-32847WB1X1118 GE Oven Screw 6-32T875WH2X930 GE Screw938WB1K5209 GE Oven Clip999GEN 31-10619999PM10X310 GE Cerama Bryte Cooktop Cleaner999GEN 29-5626999GEN 31-14386999GEN 31-10674