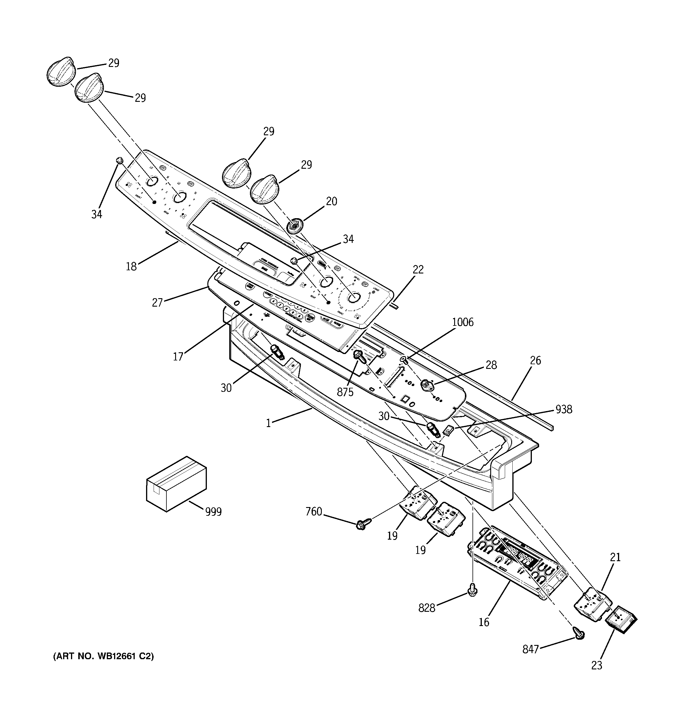
JCSP47BF4BB CONTROL PANEL