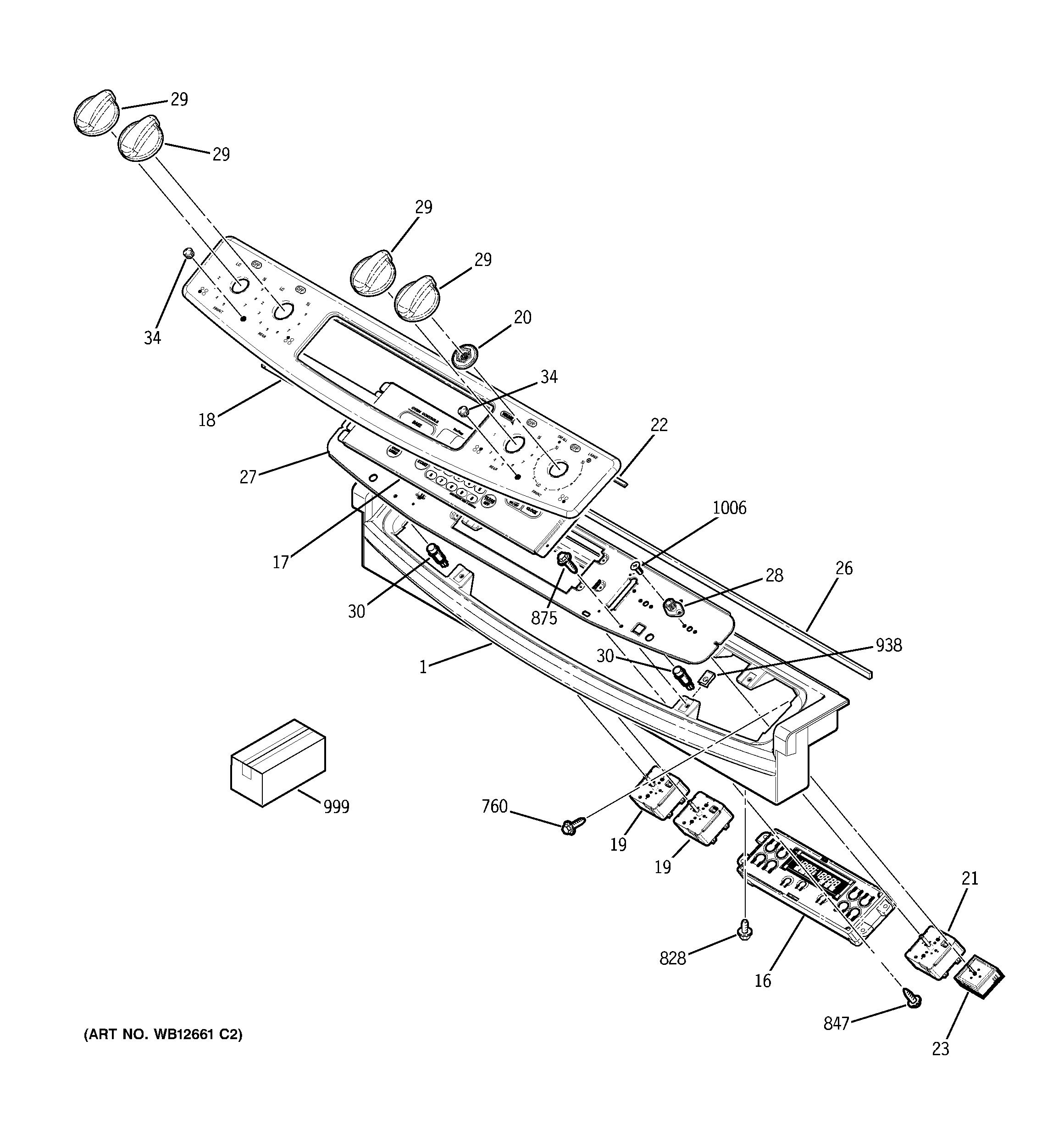
JCSP47BF6BB CONTROL PANEL