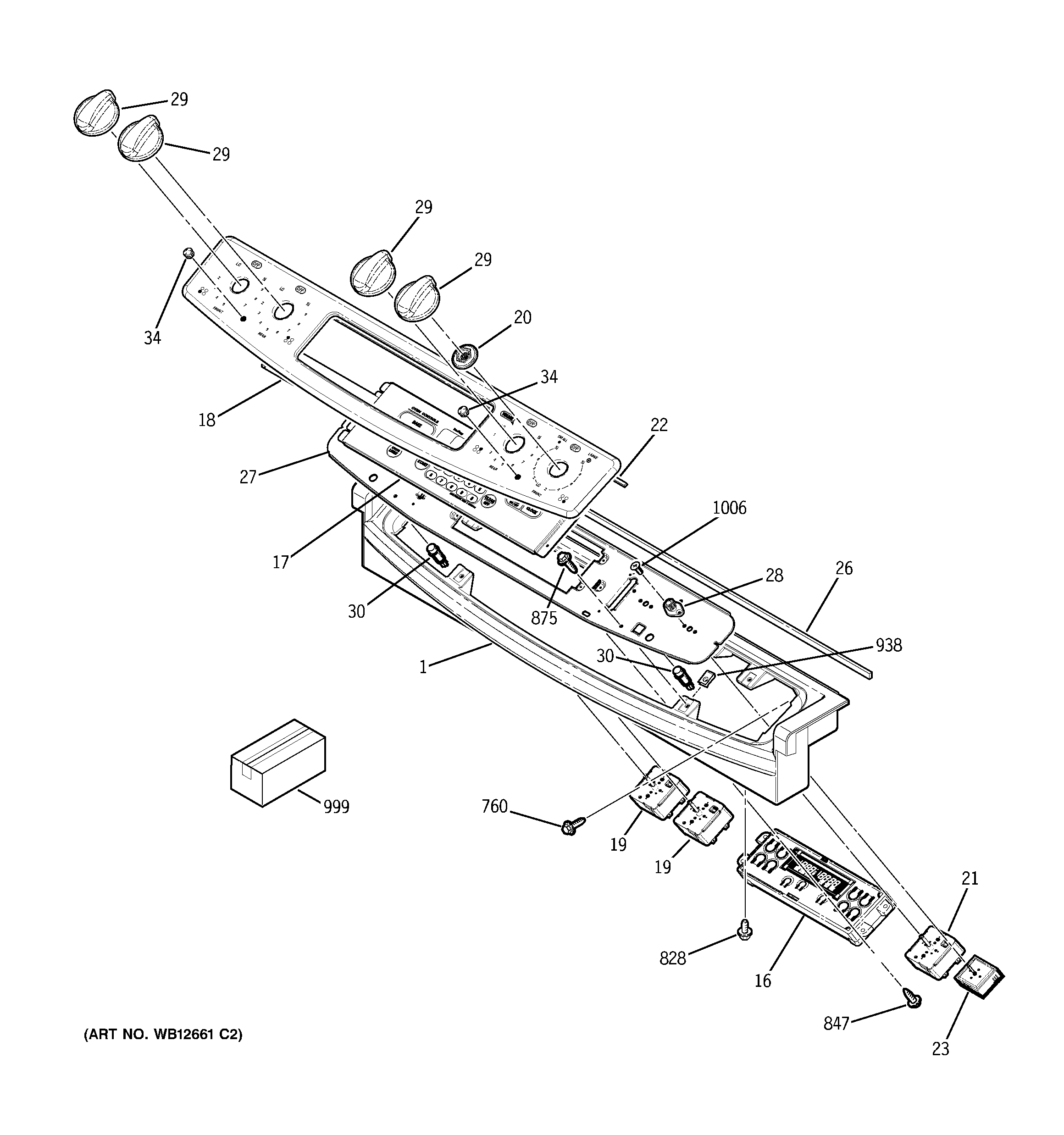
JCSP47WF3WW CONTROL PANELadmin2025-04-26T08:48:32+00:00JCSP47WF3WW CONTROL PANEL ProductsPositionProduct1WB36T10668 GE Oven Control Panel Assembly16WB27T10416 GE Oven Control ERC3B17GEN WB27T1048318GEN WB29T1001619WB24T10026 GE Oven Infinite Control Switch (2000W)20GEN WB02K523820WB02T10046 GE Oven Crystal Retainer21WB24T10012 GE Oven Infinite Switch22WB02X10744 GE Oven Gasket Faceplate23WB24T10063 GE Range Cooktop Infinite Burner Switch26WB02X10742 GE Oven Control Panel Gasket27GEN WB36T1056828WB02T10047 GE Oven Crystal Mount Assembly29KNOB PROFILE SU30GEN WB25T1002334WB25T10022 GE Oven Snap-In Lens760WB1X536 GE Oven Screw828WB1X1141 GE Oven Screw 8-32847WB1X1118 GE Oven Screw 6-32T875WH2X930 GE Screw938WB1K5209 GE Oven Clip999GEN 31-14150999PM10X310 GE Cerama Bryte Cooktop Cleaner999GEN 31-10482999GEN 31-10535999GEN 29-50351006WB01T10053 GE Oven 8-32 TPT FLR Screw