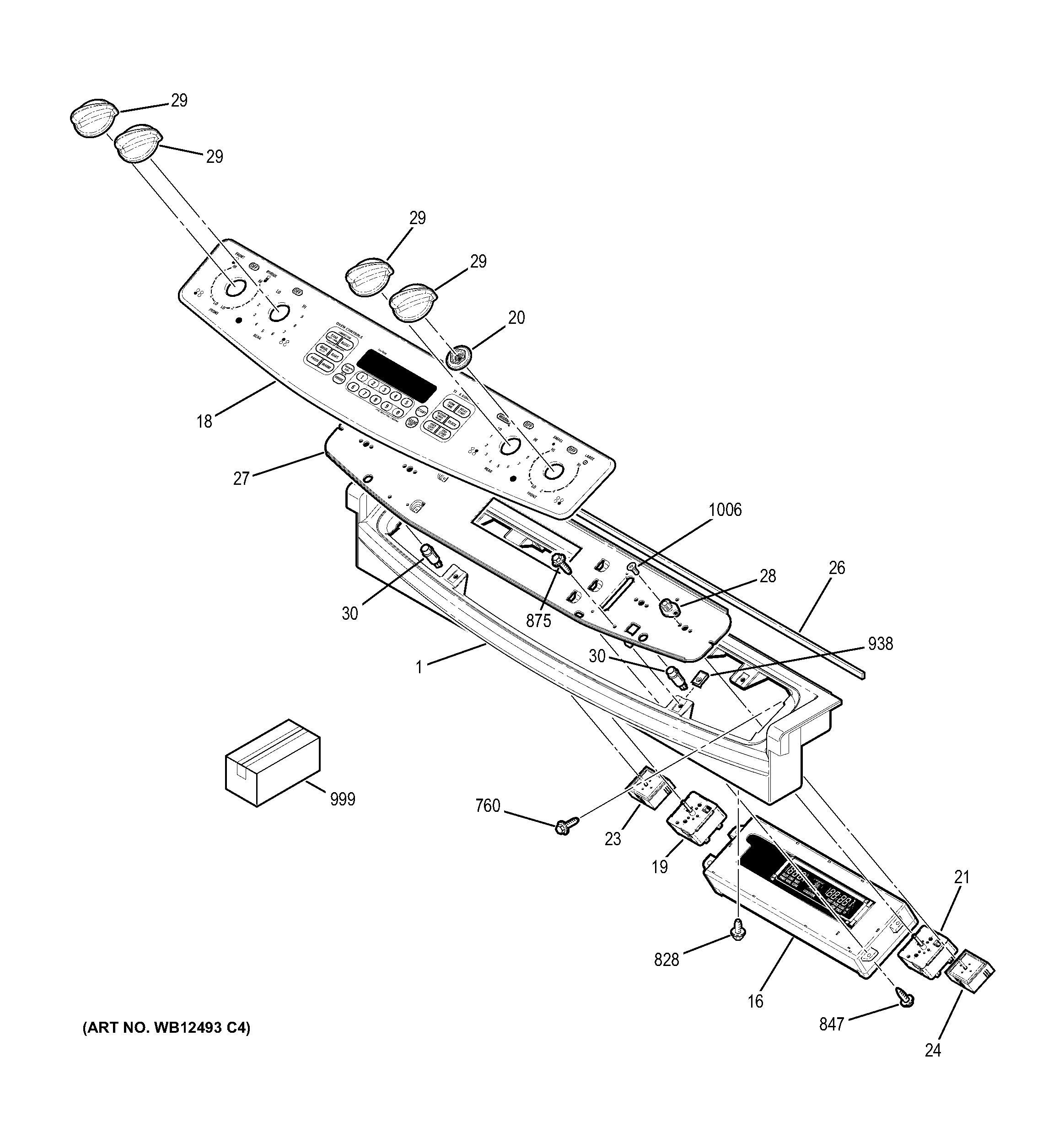
JD968BK1BB CONTROL PANEL