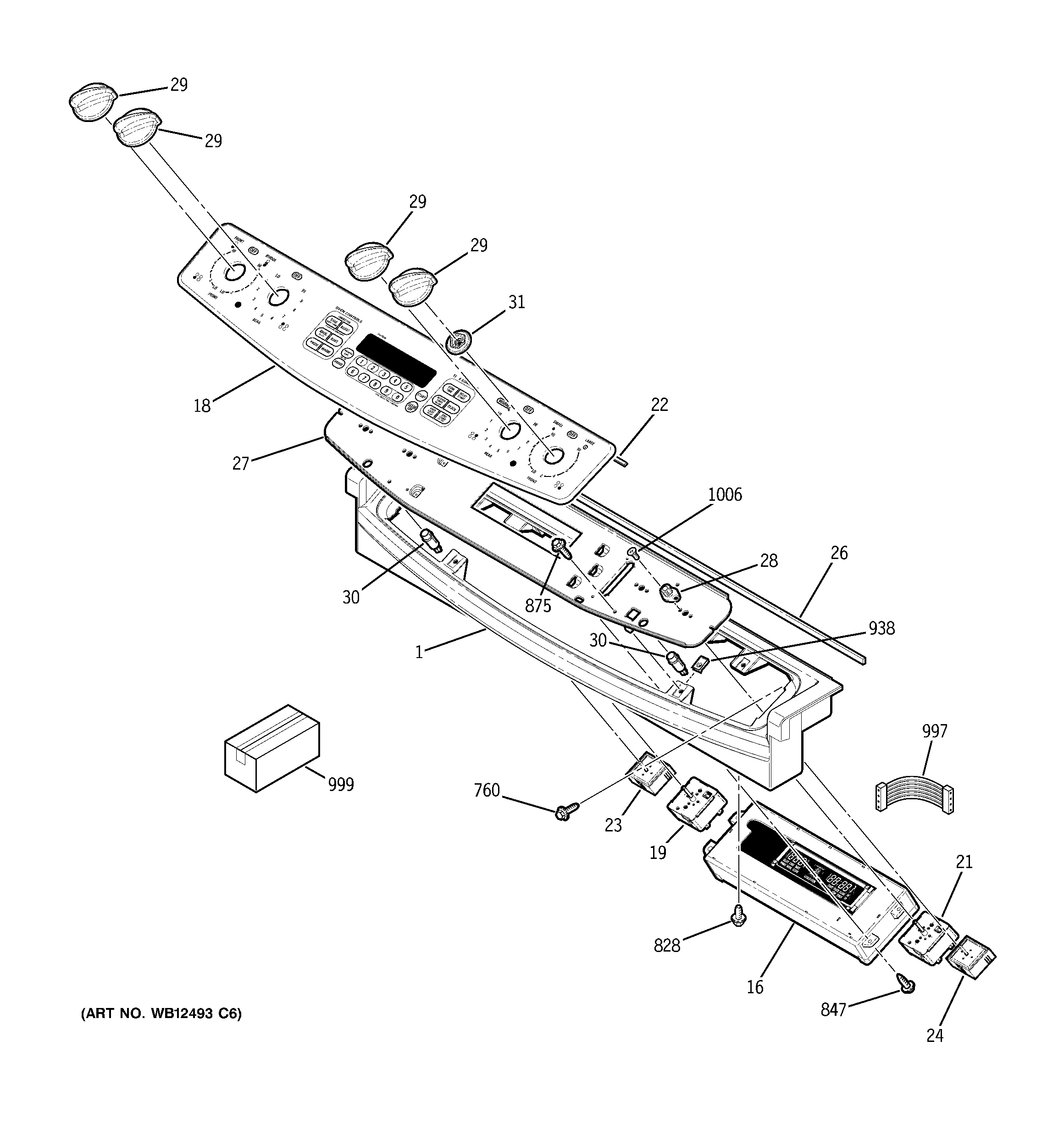
JD968BK4BB CONTROL PANEL