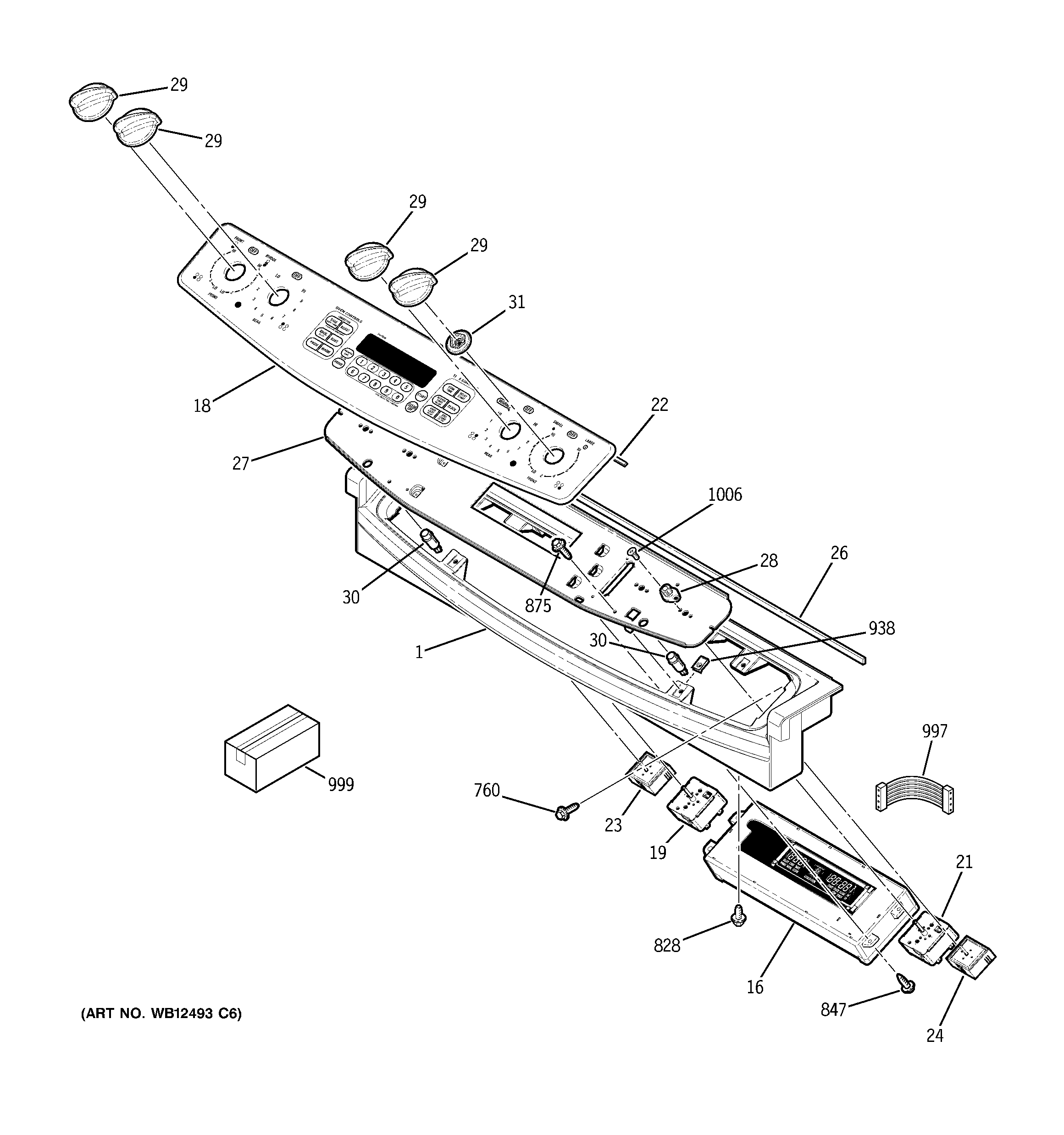
JD968KK4CC CONTROL PANEL