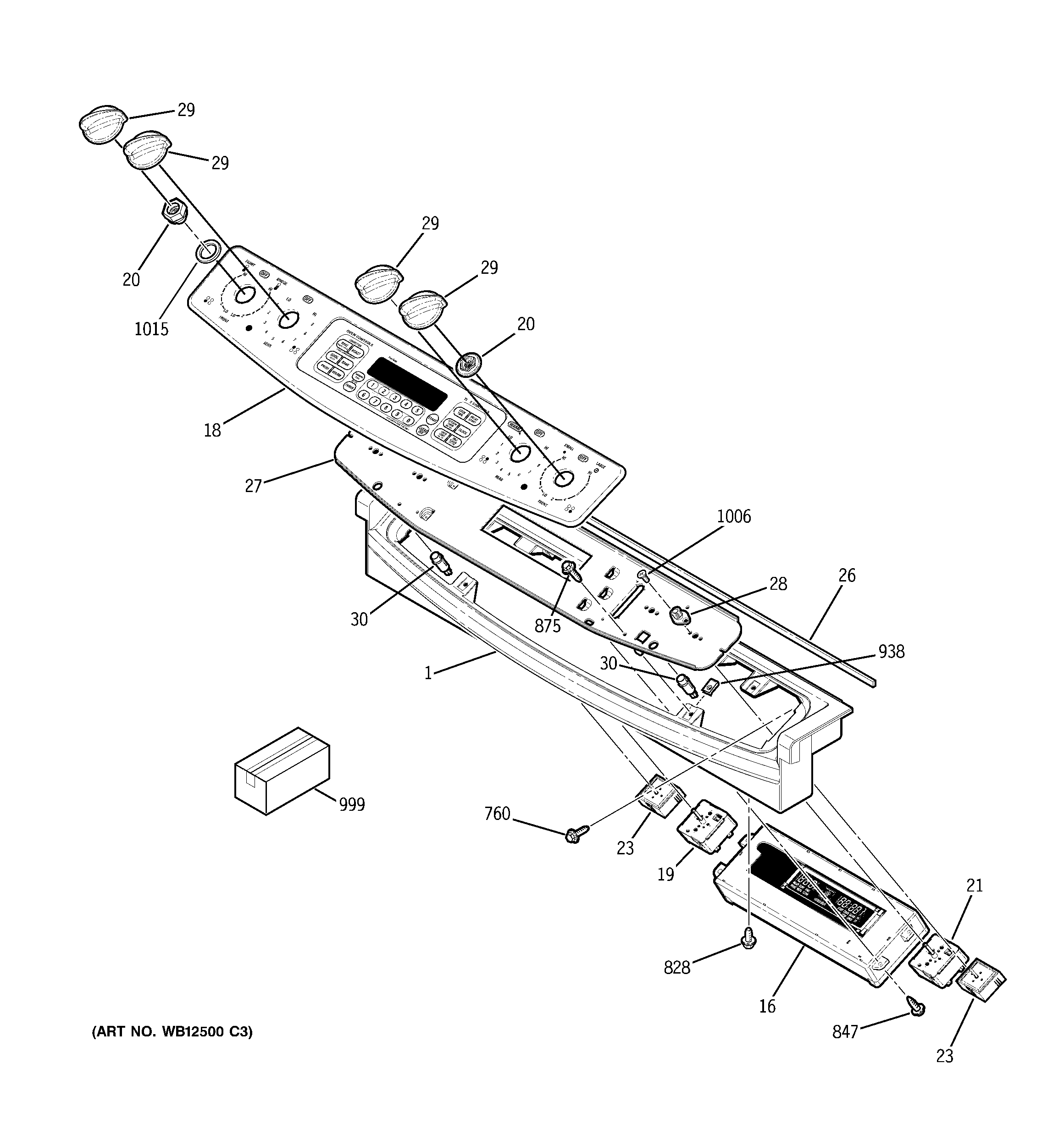
JD968SF4SS CONTROL PANEL