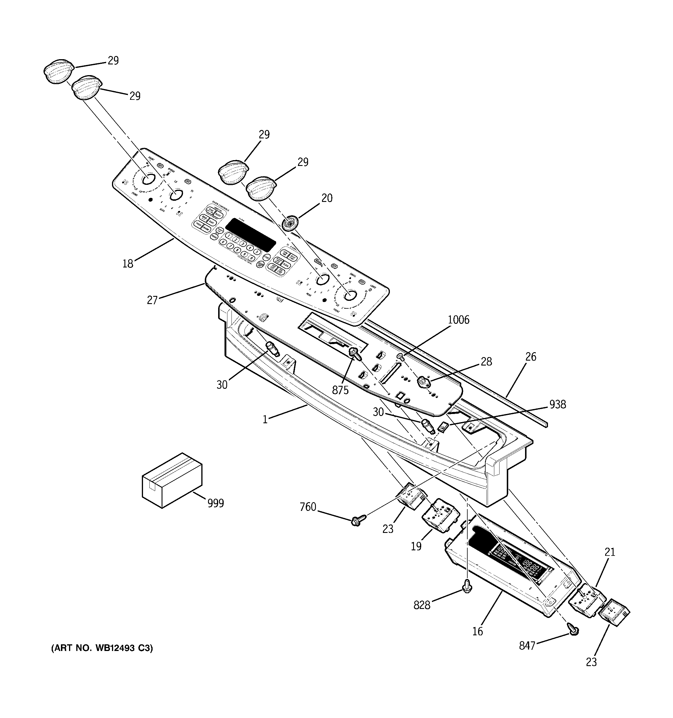
JD968TF4WW CONTROL PANEL