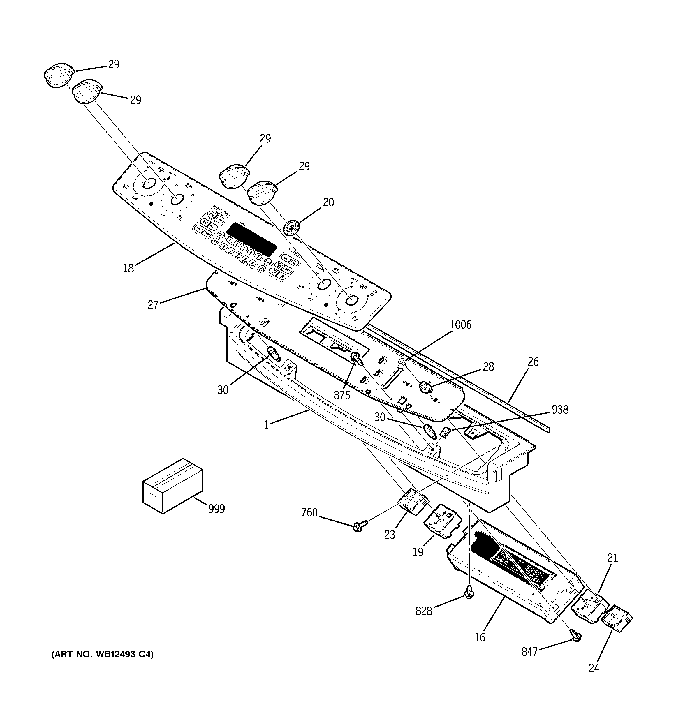
JD968TK3WW CONTROL PANEL