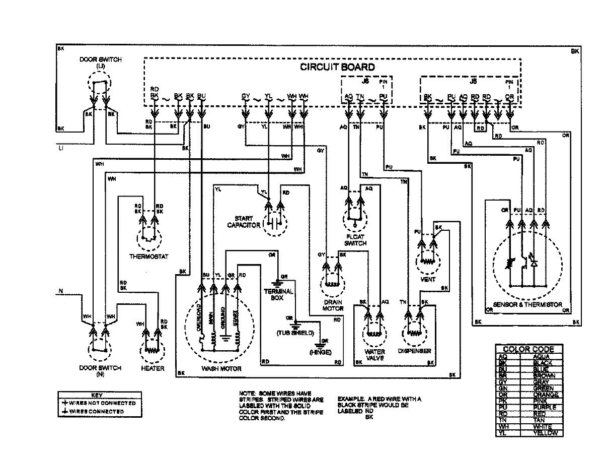
JDB1050AWB 09 – WIRING INFORMATIONadmin2025-04-26T09:16:20+00:00JDB1050AWB 09 – WIRING INFORMATION ProductsPositionProductNIMAY 15003043NIMAY 15003316