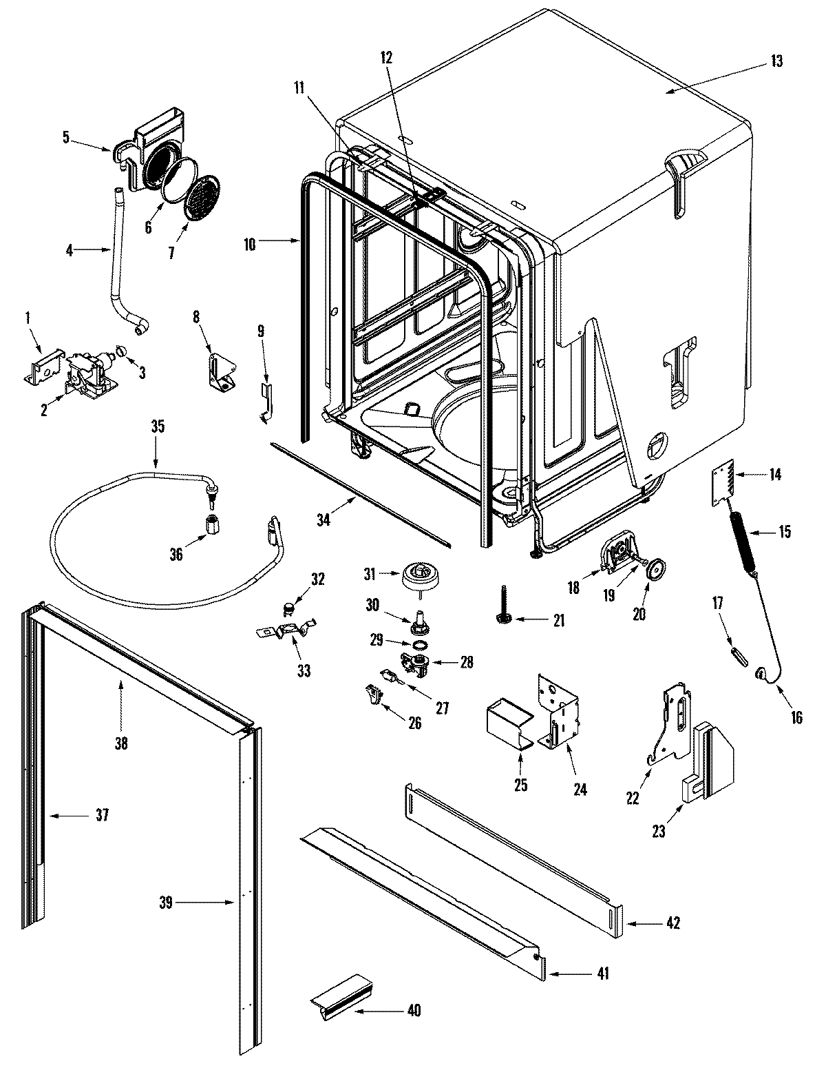
JDB1080AWW 06 – TUB