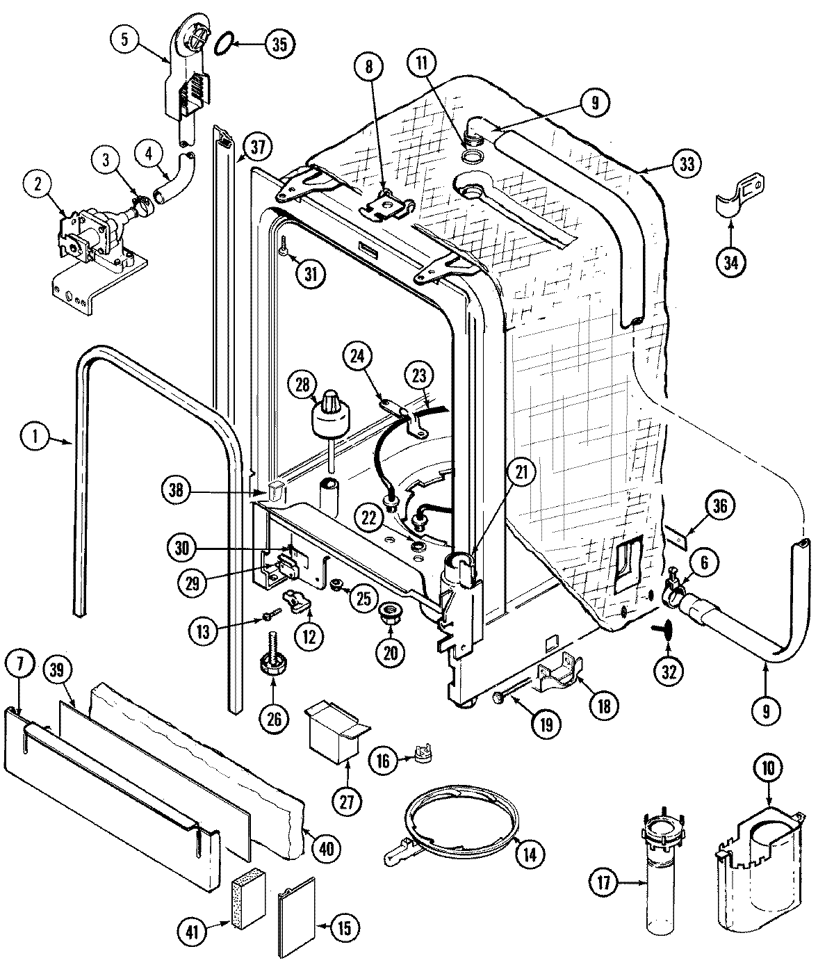
JDB3910AWQ 06 – TUB