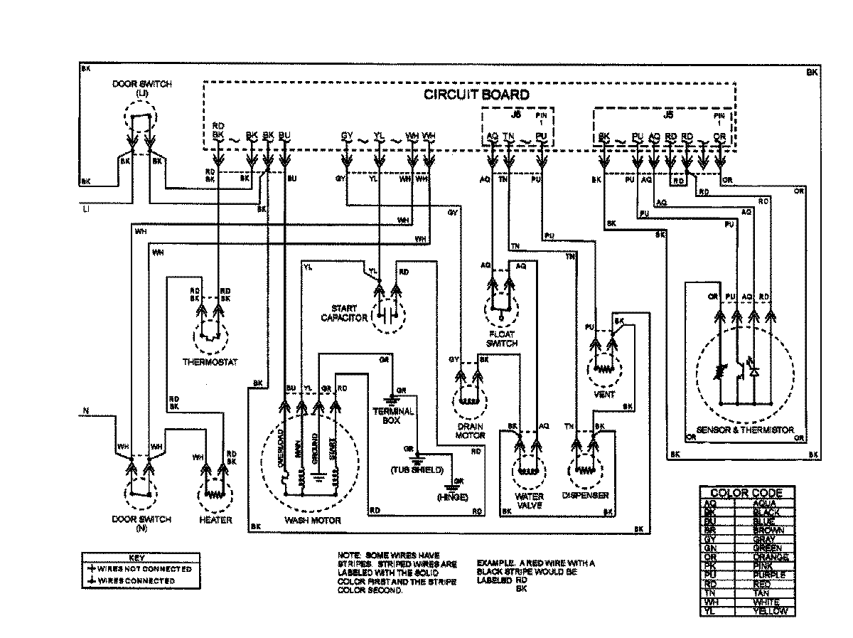
JDB4000AWB 08 – WIRING INFORMATIONadmin2025-04-26T09:47:46+00:00JDB4000AWB 08 – WIRING INFORMATION ProductsPositionProductNIMAY 15003043NIMAY 15003316