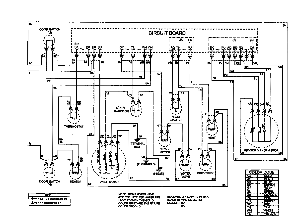
JDB4000AWS 08 – WIRING INFORMATIONadmin2025-04-26T09:46:21+00:00JDB4000AWS 08 – WIRING INFORMATION ProductsPositionProductNIMAY 15003043NIMAY 15003316