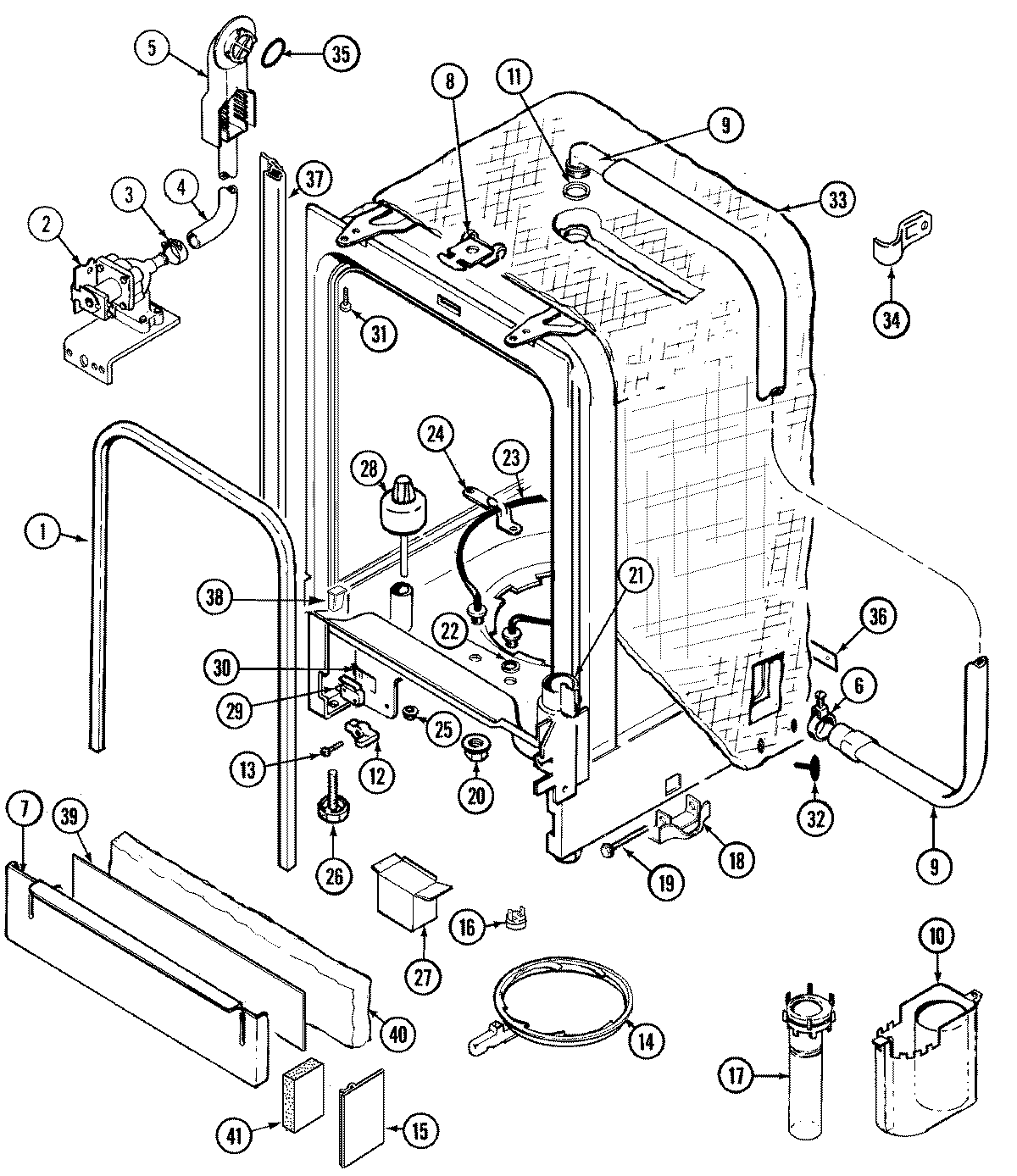
JDB4950AWR 06 – TUB