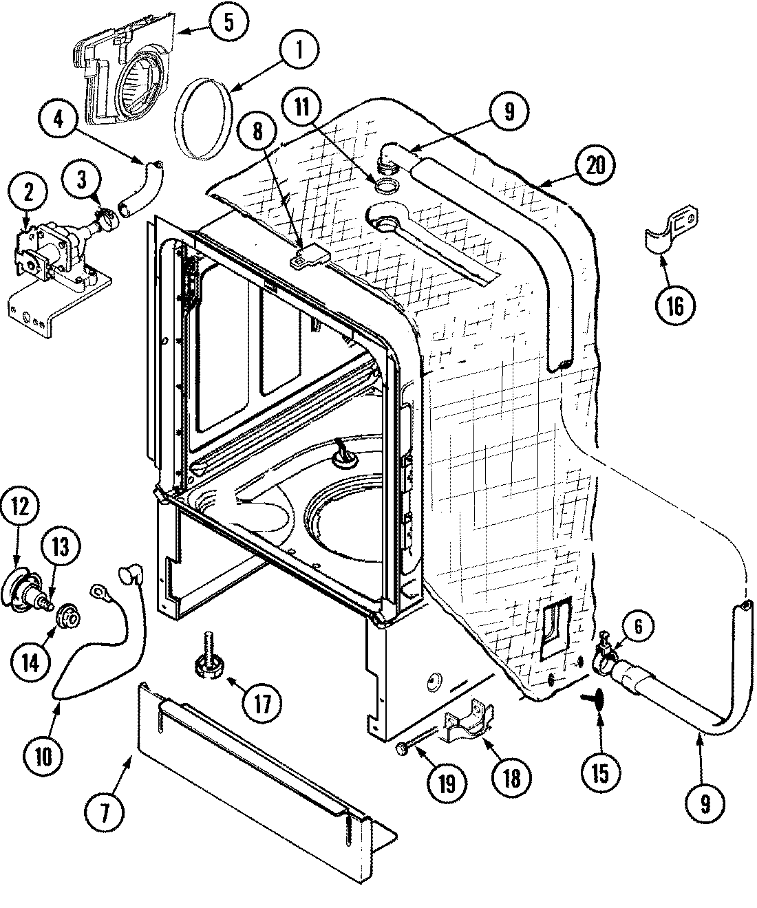
JDB7910AWB 04 – OUTER TUBadmin2025-04-26T09:44:05+00:00JDB7910AWB 04 – OUTER TUB ProductsPositionProduct1WP99002150 Whirlpool Dishwasher Air Seal2WP99001359 Whirlpool Dishwasher Water Valve2MAY 990025533WP596669 Whirlpool Hose Clamp4MAY 990021605MAY 990021486WPW10548433 Whirlpool Dishwasher Clamp7WP6-912366 Whirlpool Dishwasher Screw7MAY Y9127427MAY 9126408MAY 990021419MAY 91264710MAY 9900217211MAY 9900217012MAY 9900218313MAY 9900218914MAY 9900219215MAY 91191716MAY Y91279017WPW10143258 Whirlpool Dishwasher Leg Leveler18MAY 91265119MAY 91261320MAY 9900215620MAY 99002191