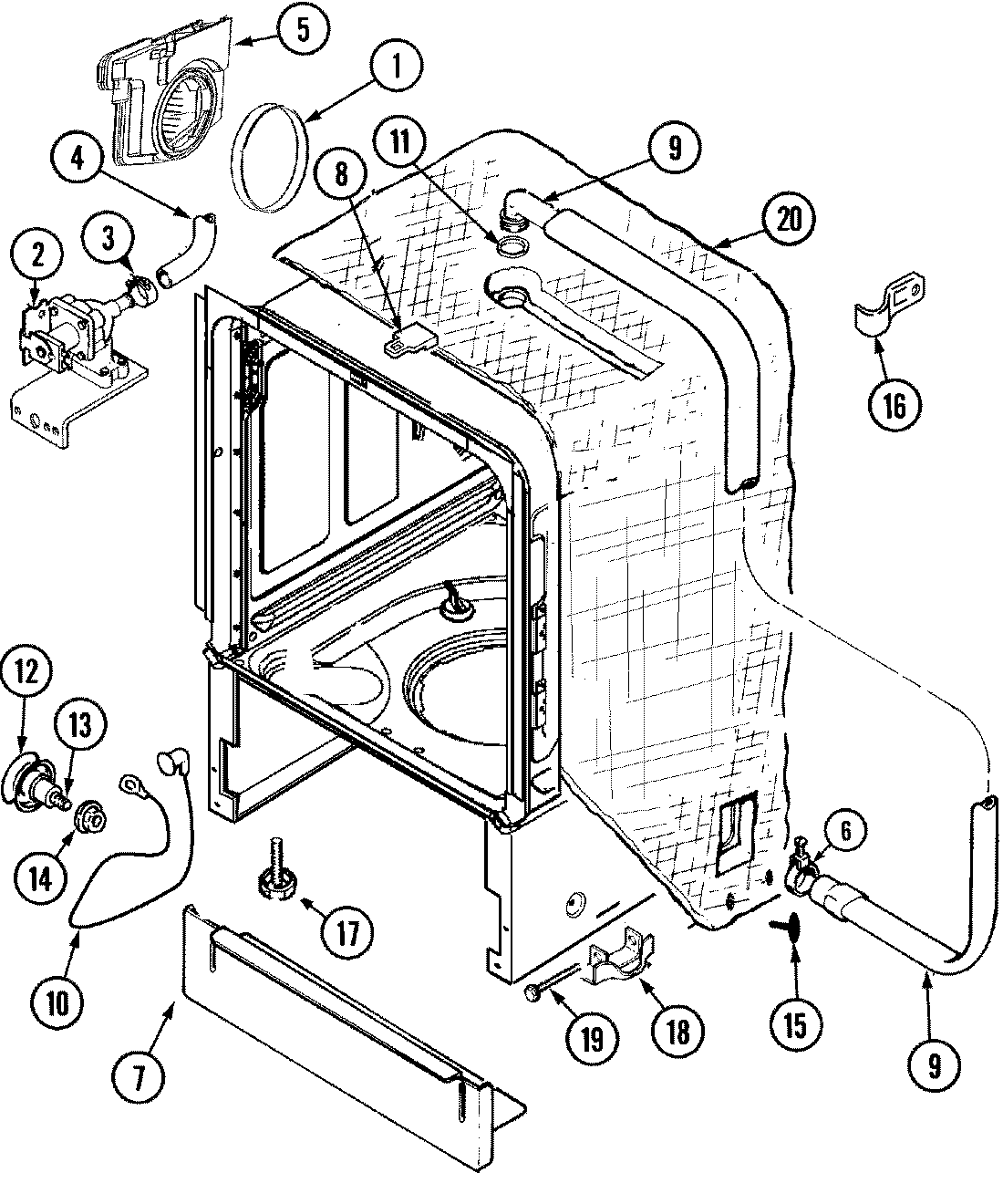
JDB7910AWW 04 – OUTER TUBadmin2025-04-26T09:44:48+00:00JDB7910AWW 04 – OUTER TUB ProductsPositionProduct1WP99002150 Whirlpool Dishwasher Air Seal2WP99001359 Whirlpool Dishwasher Water Valve2MAY 990025533WP596669 Whirlpool Hose Clamp4MAY 990021605MAY 990021486WPW10548433 Whirlpool Dishwasher Clamp7MAY Y9127427MAY 990011067SCREW, ACCESS PANEL8MAY 990021419MAY 91264710MAY 9900217211MAY 9900217012MAY 9900218313MAY 9900218914MAY 9900219215MAY 91191716MAY Y91279017WPW10143258 Whirlpool Dishwasher Leg Leveler18MAY 91265119MAY 91261320MAY 9900215620MAY 99002191