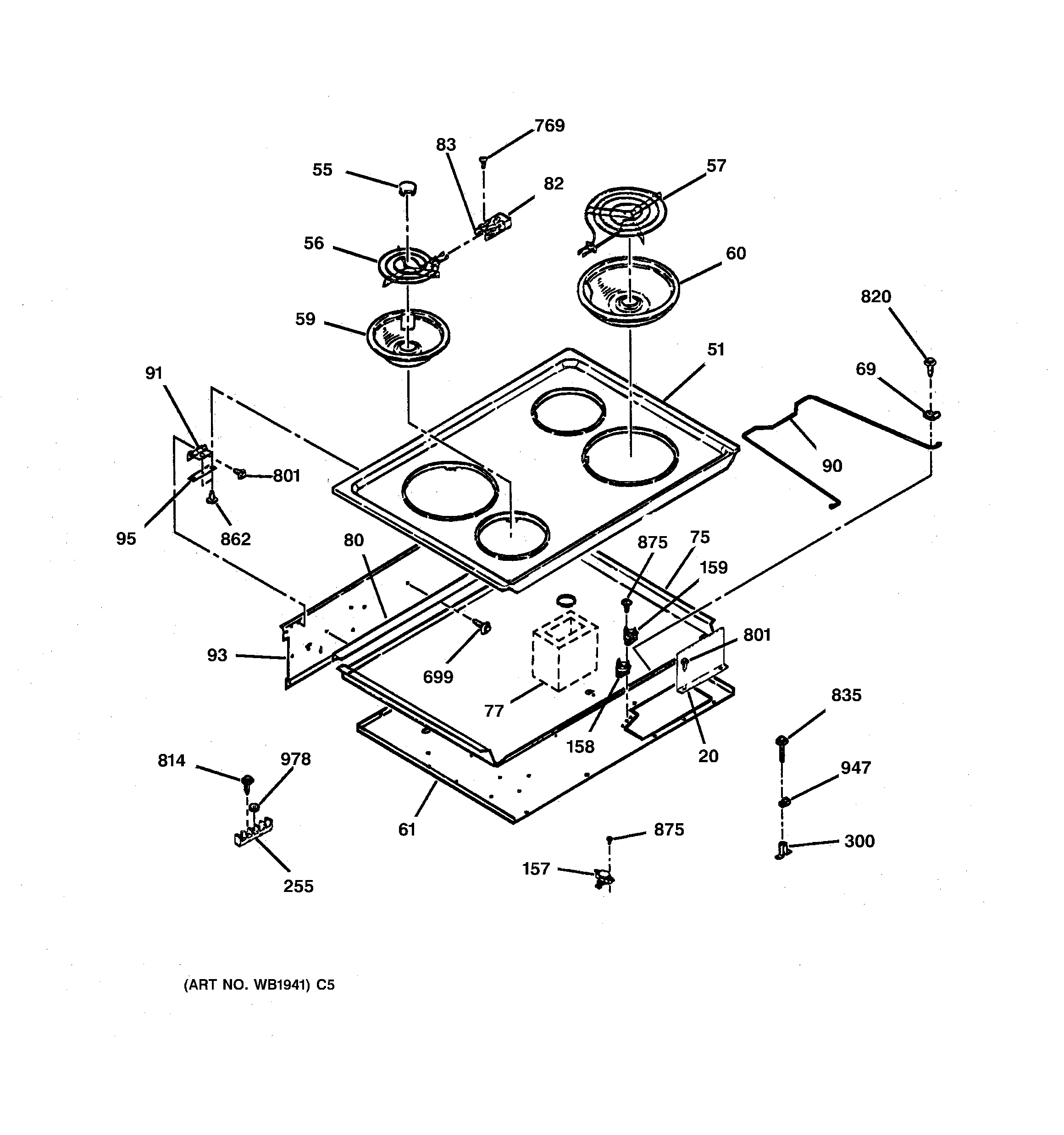
| 20 | GEN WB02K5239 |
| 20 | GEN WB37K5019 |
| 20 | GEN WB37K5018 |
| 51 | GEN WB62K5051 |
| 55 | MEDALLION |
| 56 | ELEMENT SURF 6" (1500W) |
| 57 | WB30K5035 GE Oven 8" Surface Element 2600W 240V |
| 59 | WB31M1 GE Oven 6" Universal Chrome Bowl |
| 60 | WB32X106 GE Oven 8" Chrome Drip Bowl |
| 61 | GEN WB64K5042 |
| 69 | WB2M87 GE Oven Support Rod Clamp |
| 75 | GEN WB63T10026 |
| 77 | GEN WB02X9895 |
| 80 | GEN WB02X9570 |
| 82 | WB17X210 GE Oven Range Cooktop Burner Receptacle Block Kit |
| 83 | GEN WB01K5128 |
| 90 | UNKNOWN |
| 91 | GEN WB14X0136 |
| 93 | WIRE COVER UPPER |
| 95 | HINGE MTG BRACKET |
| 157 | WB24K5098 GE Oven Limit Switch |
| 158 | GEN WB24K5086 |
| 159 | UNKNOWN |
| 255 | GEN WB17X0215 |
| 300 | GEN WB02M0086 |
| 300 | GEN WB02M0049 |
| 300 | UNKNOWN |
| 699 | WB1M1 GE Oven Screw |
| 769 | WB1X500D GE Oven Screw Package |
| 814 | WB1X1258 GE Oven Screw |
| 820 | WB1X1424D GE Oven Screw Package |
| 835 | GEN WB01X1123 |
| 862 | GEN WB01X1178 |
| 875 | WH2X930 GE Screw |
| 947 | CABLE CLIP |
| 978 | WB1X1259 GE Hex Nut |