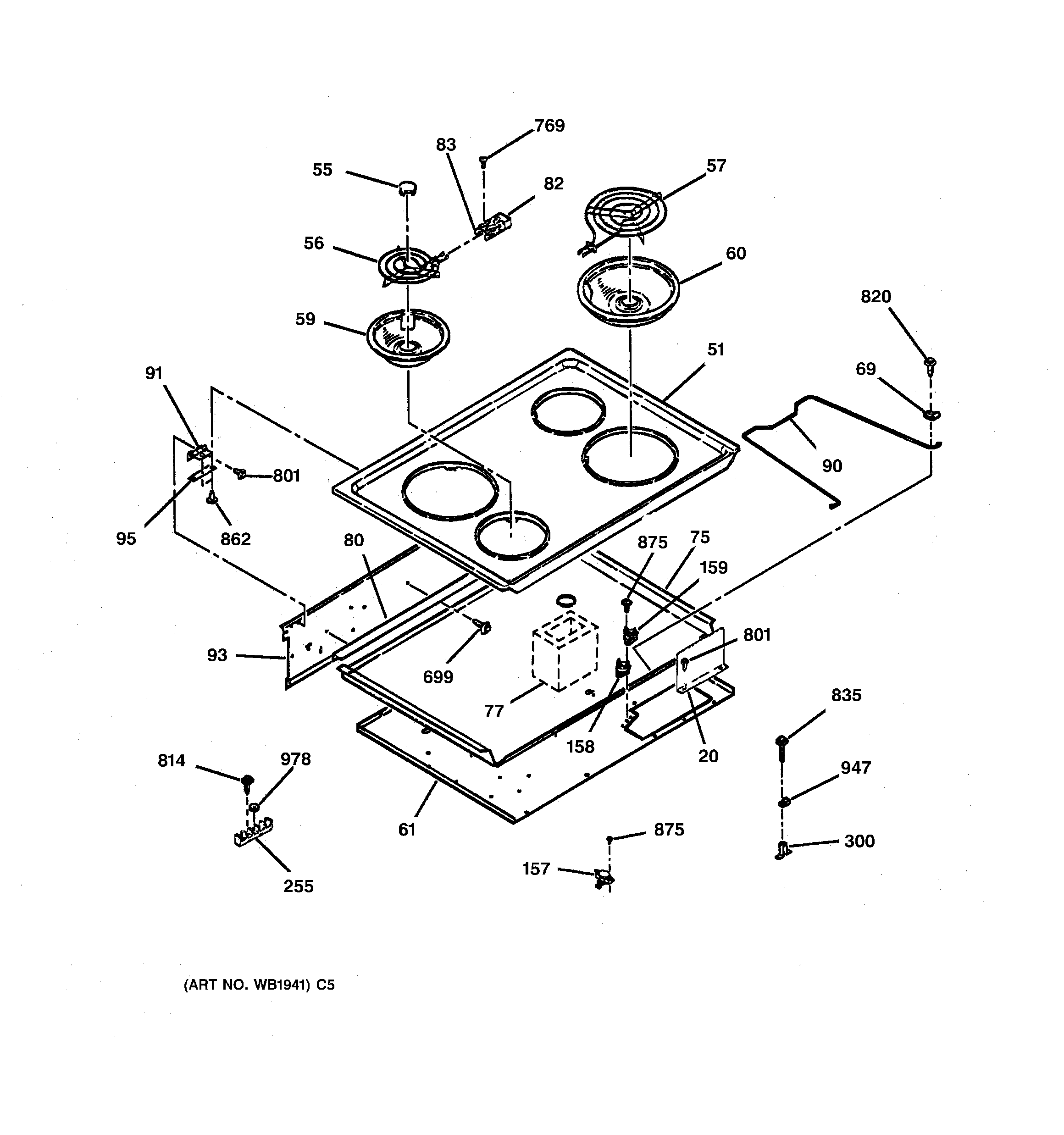
JDP39WW1WW COOKTOP