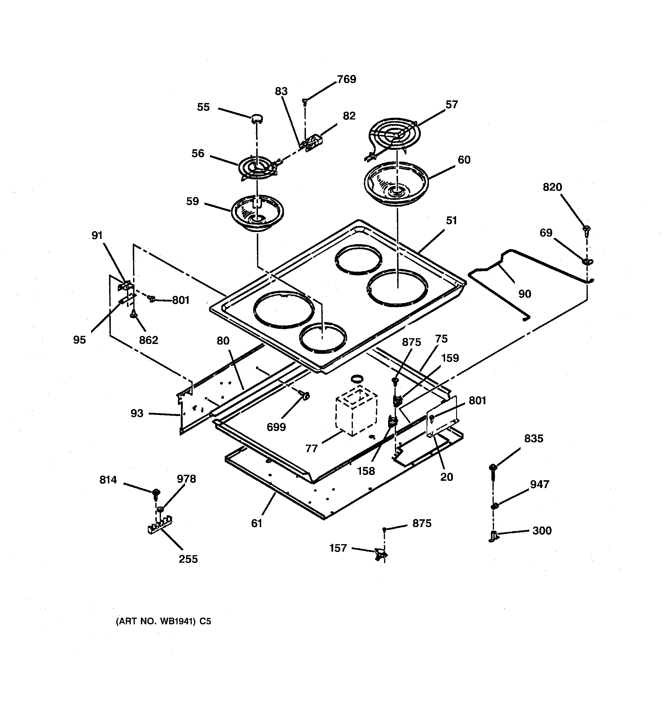
JDP39WW3WW COOKTOP