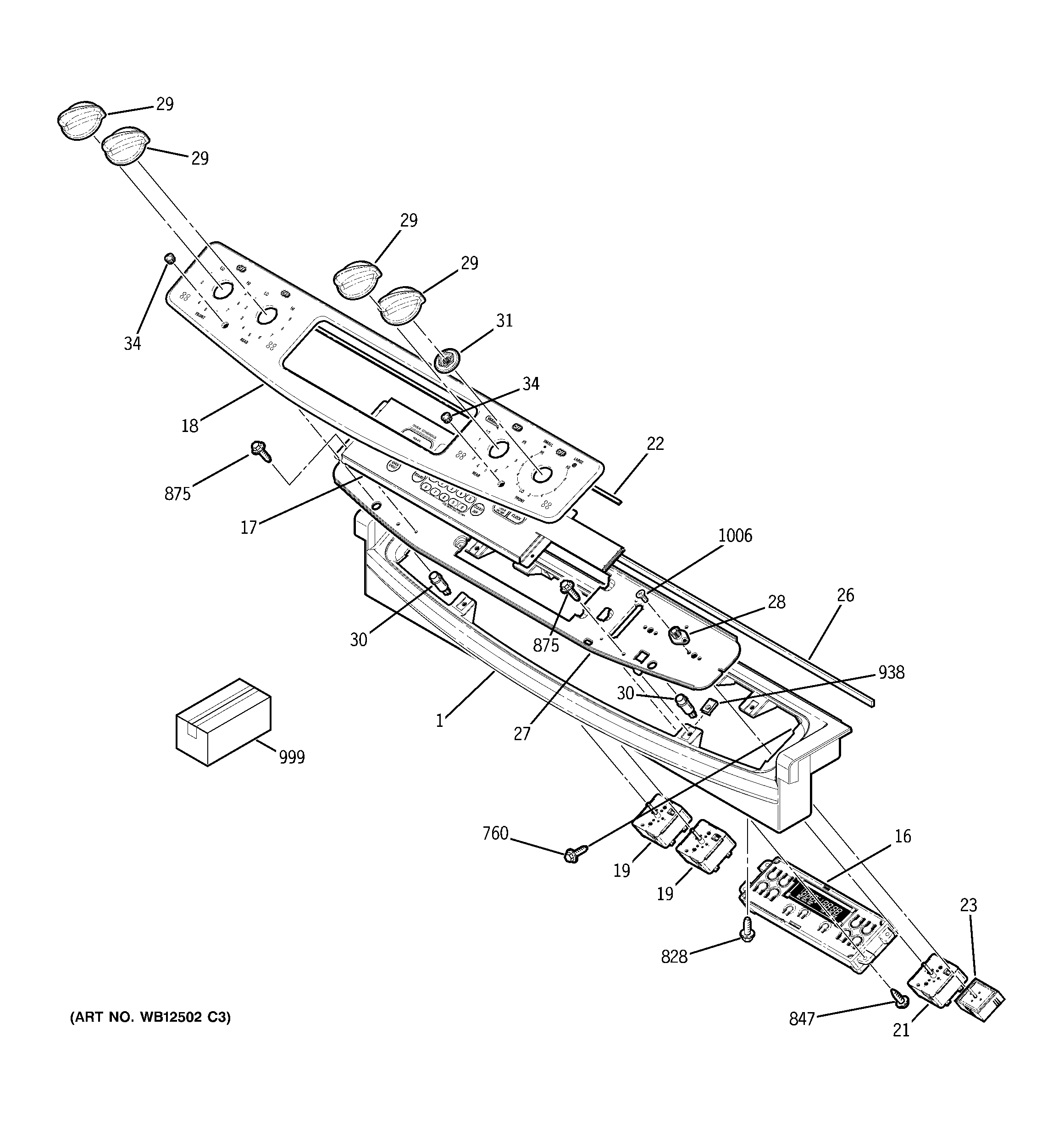
JDP42DT1BB CONTROL PANEL