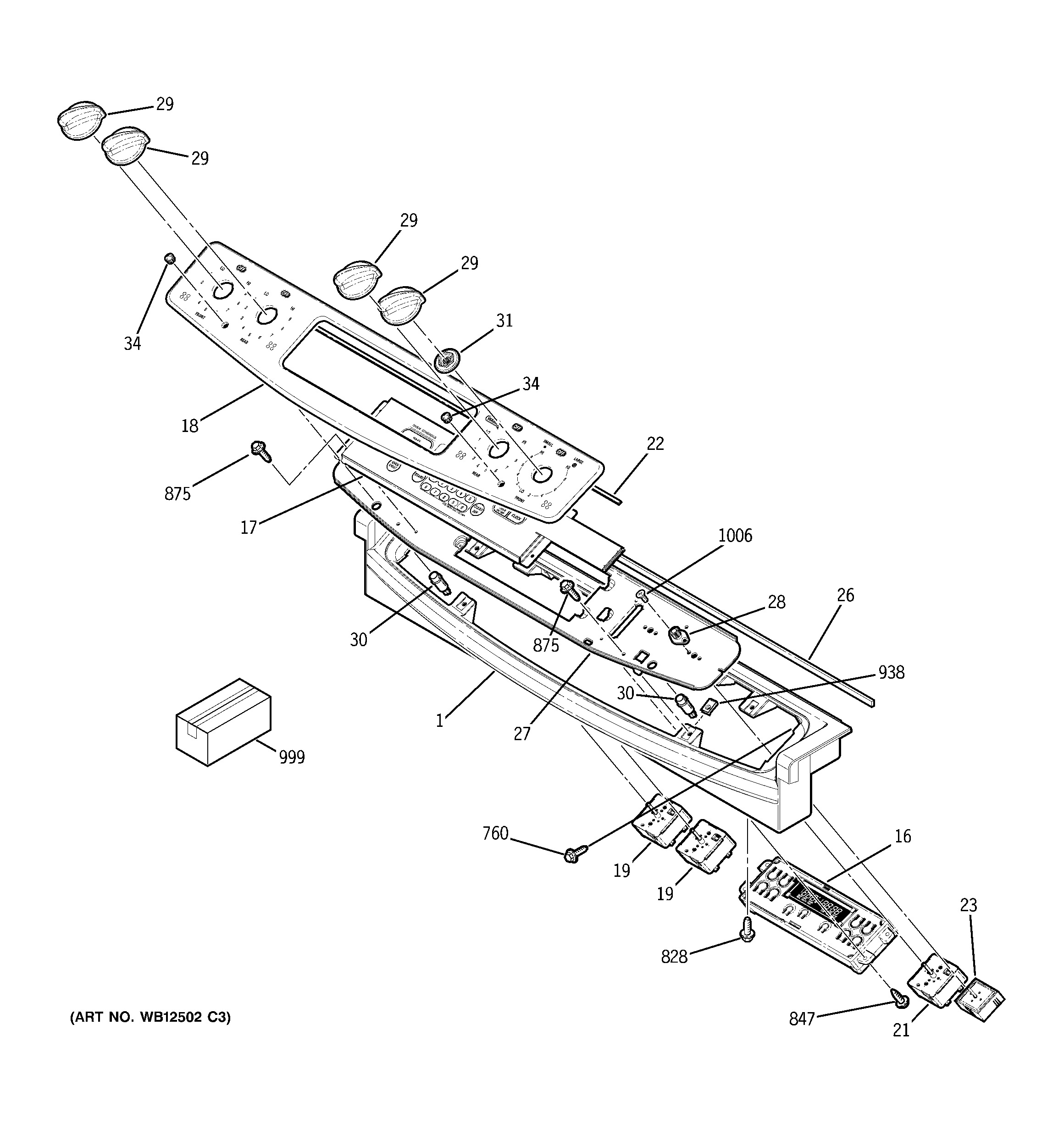
| 1 | WB36T10668 GE Oven Control Panel Assembly |
| 1 | WB36T10666 GE Oven Trim Piece |
| 16 | WB27T10416 GE Oven Control ERC3B |
| 17 | WB27T11076 GE Oven Key Panel Support Assembly |
| 17 | GEN WB27T11078 |
| 18 | GEN WB27K10308 |
| 18 | GEN WB27K10306 |
| 19 | WB24T10026 GE Oven Infinite Control Switch (2000W) |
| 21 | WB24T10012 GE Oven Infinite Switch |
| 22 | WB02X10744 GE Oven Gasket Faceplate |
| 23 | WB24T10134 GE Oven Infinite Control Switch |
| 26 | WB02X10742 GE Oven Control Panel Gasket |
| 27 | GEN WB36T10568 |
| 28 | WB02T10047 GE Oven Crystal Mount Assembly |
| 29 | WB03T10282 GE Oven Infinite Knob (White) |
| 29 | KNOB INFINITE (BK) |
| 30 | WB25T10056 GE Oven Light Indicator |
| 31 | WB02T10046 GE Oven Crystal Retainer |
| 34 | WB25T10022 GE Oven Snap-In Lens |
| 760 | WB1X536 GE Oven Screw |
| 828 | WB01T10017 GE Oven 8-18 AB Screw IHW 3/8 S NS |
| 847 | WZ4X245D GE Screw Package |
| 875 | WH2X930 GE Screw |
| 938 | WB1K5209 GE Oven Clip |
| 999 | GEN 49-80602 |
| 999 | PM10X310 GE Cerama Bryte Cooktop Cleaner |
| 999 | GEN 31-10622 |
| 999 | GEN 31-14958 |
| 1006 | WB01T10053 GE Oven 8-32 TPT FLR Screw |