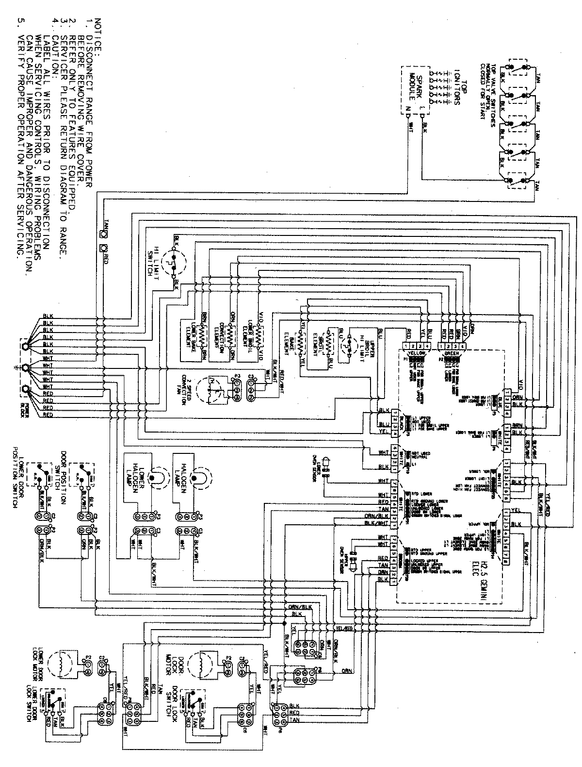
JDR8895AAB 08 – WIRING INFORMATIONadmin2025-04-26T09:43:42+00:00JDR8895AAB 08 – WIRING INFORMATION ProductsPositionProductNIMAY 15003580