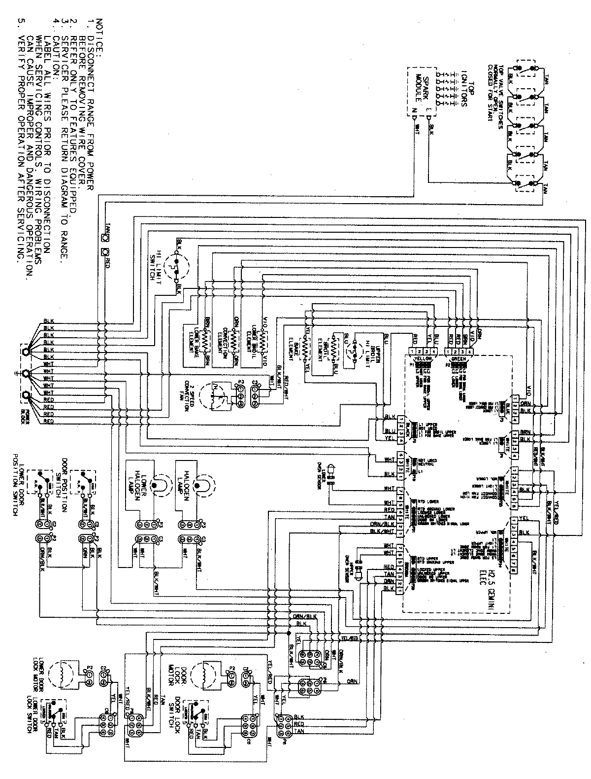
JDR8895AAS 08 – WIRING INFORMATIONadmin2025-04-26T09:44:10+00:00JDR8895AAS 08 – WIRING INFORMATION ProductsPositionProductNIMAY 15003580