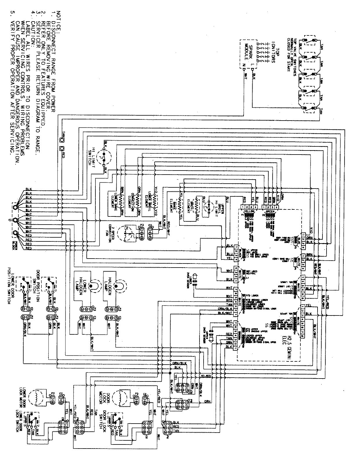
JDR8895AAW 08 – WIRING INFORMATION

JDR8895AAW 08 – WIRING INFORMATION

Products

PositionProduct
NIMAY 15003580