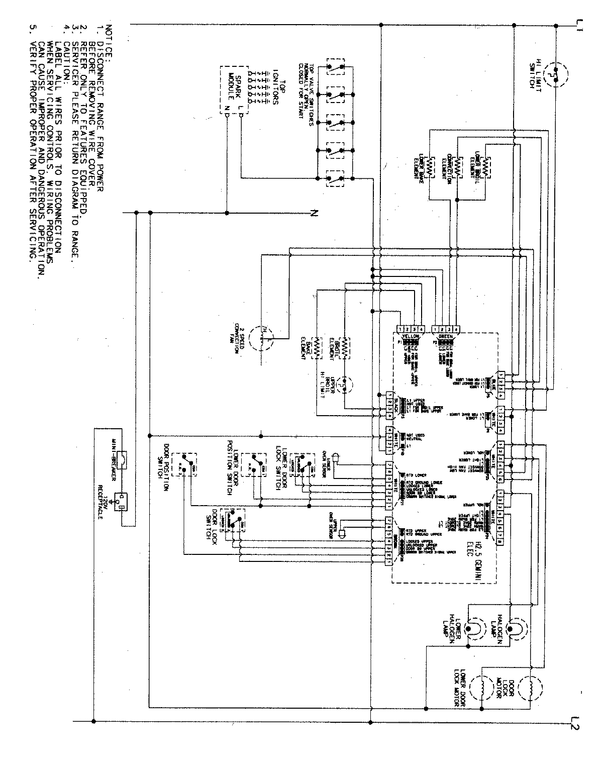
JDR8895ACB 08 – WIRING INFORMATIONadmin2025-04-26T09:44:32+00:00JDR8895ACB 08 – WIRING INFORMATION ProductsPositionProductNIMAY 15003688