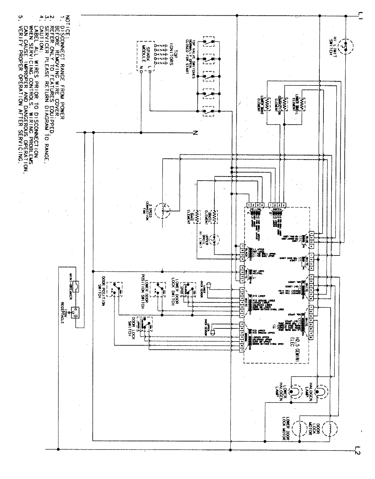
JDR8895ACS 08 – WIRING INFORMATIONadmin2025-04-26T09:45:30+00:00JDR8895ACS 08 – WIRING INFORMATION ProductsPositionProductNIMAY 15003688