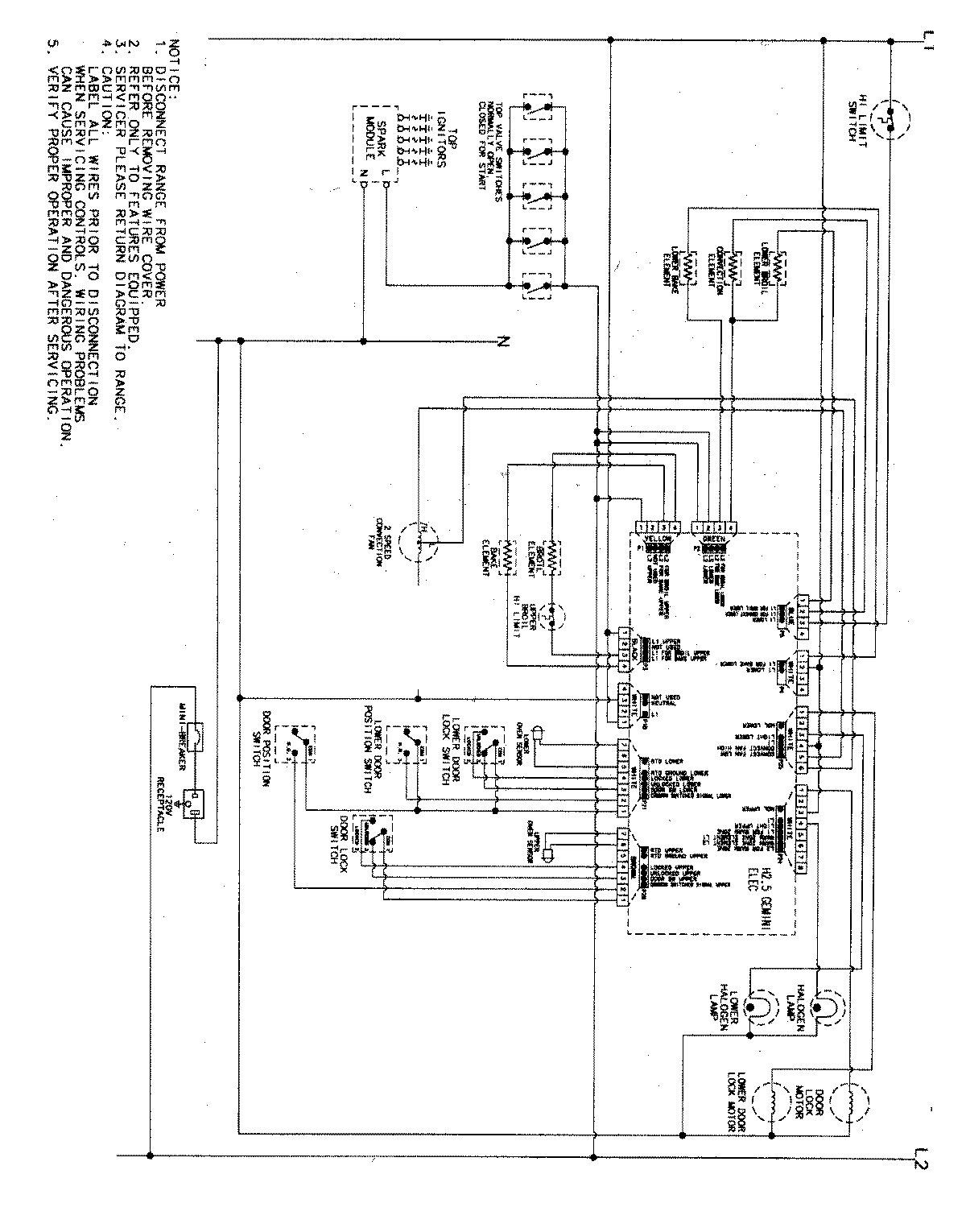
JDR8895ACW 08 – WIRING INFORMATIONadmin2025-04-26T09:45:01+00:00JDR8895ACW 08 – WIRING INFORMATION ProductsPositionProductNIMAY 15003688