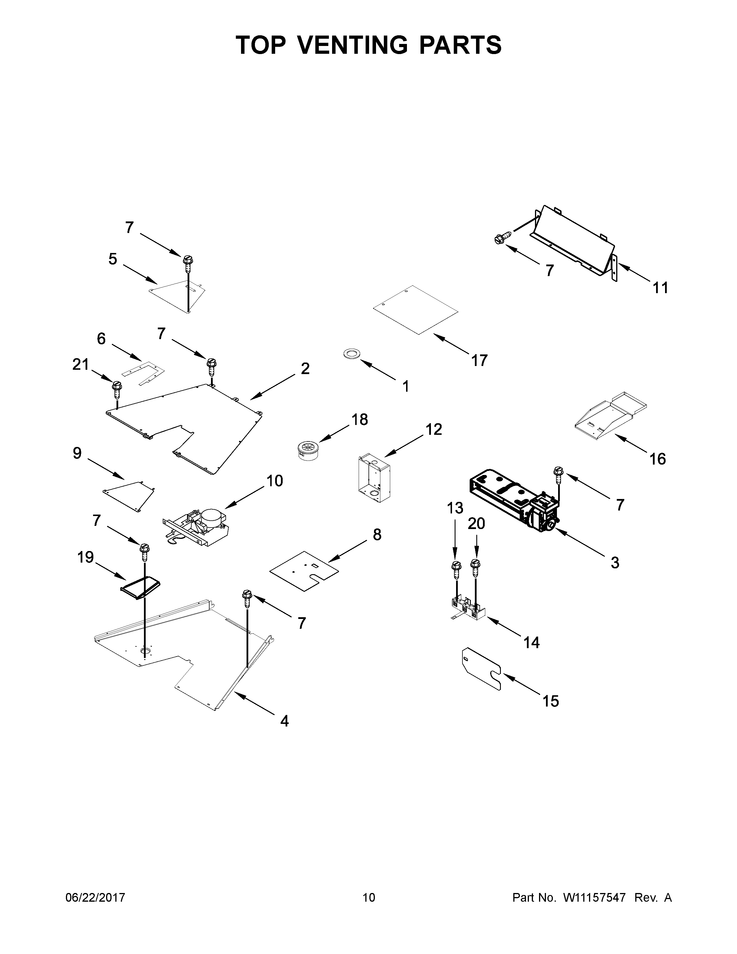
JDRP430WP02 06 – TOP VENTING PARTSadmin2025-04-26T09:45:31+00:00JDRP430WP02 06 – TOP VENTING PARTS ProductsPositionProduct1MAY W102703962MAY W101608963BLOWER4MAY W102460785PLATE, LATCH6MAY W102703977MAY 7101P426- 608INSULATOR, TERMINAL BOX9MAY W1016085810LATCH, MOTORIZED11MAY W1016084412BOX, TERMINAL13SCREW, GROUNDING14Block, Terminal15MAY W1014538216SUPPORT, CONTROL17SEAL18BUSHING, SNAP SPLIT19SLOPE, EXHAUST VENT (30")20SCREW21SCREW