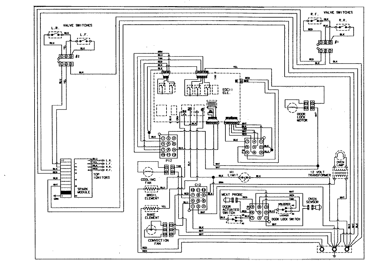
JDS8850AAB 06 – WIRING INFORMATIONadmin2025-04-26T09:26:06+00:00JDS8850AAB 06 – WIRING INFORMATION ProductsPositionProductNIMAY 15002989NIMAY 15003359