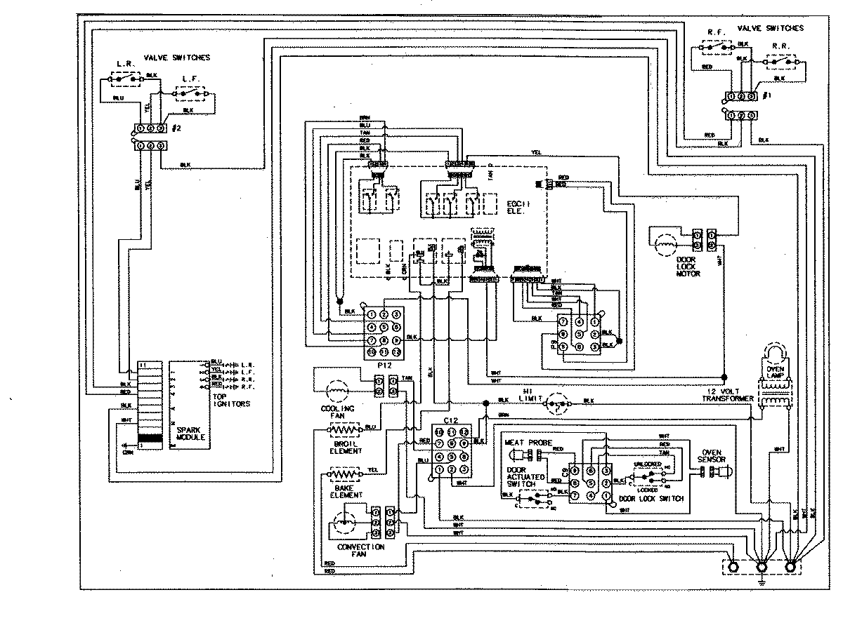
JDS8850AAQ 06 – WIRING INFORMATIONadmin2025-04-26T09:29:38+00:00JDS8850AAQ 06 – WIRING INFORMATION ProductsPositionProductNIMAY 15002989NIMAY 15003359