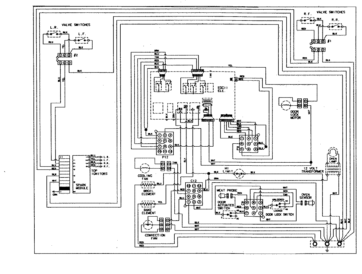
JDS8850AAW 06 – WIRING INFORMATIONadmin2025-04-26T09:31:23+00:00JDS8850AAW 06 – WIRING INFORMATION ProductsPositionProductNIMAY 15002989NIMAY 15003359